Тип ролика пути CKF одного нося переливающся через край подшипник муфты для индустрии
Введение продукции
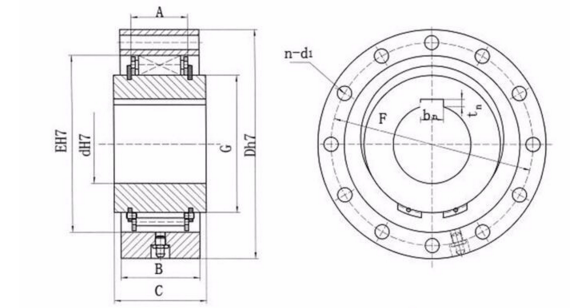
CKF-A внеконтактный один подшипник муфты подшашки пути. Внутреннее кольцо конструировано для однонаправленной функции без поддержки подшипника. Подшипник муфты подшашки необходимо установить для обеспечения coaxiality внутреннего кольца и наружного кольца при использовании.
При использовании для предотвращения реверсирования, необходимо проверить что скорость не должна быть ниже чем минимальное позволяемое значение для превышения скорости, как показано в таблице ниже.
Эта модель главным образом использована для предотвращения реверсирования под высокоскоростными условиями труда. Ее можно также использовать для высокоскоростной переливаясь через край муфты и низкоскоростного прибора переключения привода клина.
CO. оборудования для передачи Changzhou TIANNIU, Ltd (фабрика муфты Changzhou TIANNIU) профессиональный один поставщик подшипника муфты пути, основные продукты микро- электромагнитный зажим, соединение ограничителя вращающего момента, сползая соединение вала, соединение гибкого карданного вала, запирая собрание и соединения вала, etc.
Мы в индустрии подшипника пути подшипника муфты подшашки и муфты одного для больше чем 10years, упорствуя в принципе дела продуктов портняжничанных к требованиям от клиентов. Мы обслуживаем через слушать наши клиенты, приложение нововведения и построение с мастерством для того чтобы отвечать все их потребностямы.
| Тип | Вращающий момент Nm |
Переливаться через край Ограниченная скорость r/min |
d [H7] | D [h7] | e [H7] | F | G | C | B | n-d1 | bn*tn | Вес [kg] |
||
| вне гонка | внутренняя гонка | |||||||||||||
| CFK-A2090 | 140 | 875 | 6000 | 20 | 90 | 66 | 78 | 36 | 35 | 35 | 25 | 6-6.6 | 6×2.8 | 1,50 |
| CFK-A2595 | 190 | 825 | 6000 | 25 | 95 | 70 | 82 | 40 | 35 | 35 | 25 | 6-6.6 | 8×3.3 | 1,60 |
| CFK-A30102 | 340 | 780 | 6000 | 30 | 102 | 75 | 87 | 45 | 40 | 40 | 30 | 6-6.6 | 8×3.3 | 1,80 |
| CFK-A35110 | 425 | 740 | 6000 | 35 | 110 | 82 | 96 | 52 | 40 | 40 | 30 | 6-6.6 | 10×3.3 | 2,10 |
| CFK-A40125 | 625 | 720 | 5000 | 40 | 125 | 92 | 108 | 62 | 40 | 40 | 30 | 8-6.6 | 12×3.3 | 2,90 |
| CFK-A45130 | 715 | 665 | 5000 | 45 | 130 | 94 | 112 | 64 | 40 | 40 | 30 | 8-9.0 | 14×3.8 | 3,10 |
| CFK-A50150 | 1120 | 610 | 4000 | 50 | 150 | 114 | 132 | 84 | 40 | 40 | 30 | 8-9.0 | 14×3.8 | 4,70 |
| CFK-A55160 | 1300 | 600 | 4000 | 55 | 160 | 116 | 138 | 86 | 45 | 45 | 34 | 8-9.0 | 16×4.3 | 5,40 |
| CFK-A60175 | 1500 | 490 | 3200 | 60 | 175 | 135 | 155 | 95 | 70 | 60 | 47 | 8-11.0 | 18×4.4 | 8,5 |
| CFK-A70190 | 2250 | 480 | 3200 | 70 | 190 | 140 | 165 | 100 | 70 | 60 | 47 | 12-11.0 | 20×4.9 | 10 |
| CFK-A80210 | 3000 | 450 | 2400 | 80 | 210 | 160 | 185 | 120 | 80 | 70 | 48 | 12-11.0 | 22×5.4 | 14 |
| CFK-A90230 | 4600 | 420 | 2400 | 90 | 230 | 180 | 206 | 140 | 90 | 80 | 67 | 12-13.5 | 25×5.4 | 19 |
| CFK-A100280 | 7600 | 455 | 2000 | 100 | 280 | 200 | 240 | 160 | 105 | 100 | 67 | 12-17.5 | 28×6.4 | 34 |
| CFK-A130320 | 13600 | 415 | 2000 | 130 | 320 | 235 | 278 | 195 | 105 | 100 | 67 | 12-17.5 | 32×7.4 | 44 |
| CFK-A150400 | 24500 | 365 | 2000 | 150 | 400 | 320 | 360 | 256 | 105 | 100 | 86 | 12-17.5 | 36×8.4 | 73 |
