Введение продуктов
Электромагнитный зажим полагается на катушке для того чтобы контролировать соединение и разъединение муфты.
Электромагнитный зажим можно разделить в: сухой монолитовый электромагнитный зажим, сухая мульти-часть
электромагнитный зажим, влажный электромагнитный зажим мульти-части, магнитная муфта порошка, выскальзывание
электромагнитный зажим и так далее. Работая режим электромагнитного зажима можно разделить
в: комбинация силы и комбинация силы.
Характеристики электромагнитного зажима
1. Высокоскоростной ответ: потому что сухой тип, передача вращающего момента очень быстра и удобного действия можно достигнуть.
2. Сильная стойкость: тепловыделение хорошо, и предварительные материалы использованы, которое очень прочно даже для пользы частоты коротковолнового диапазона и высокой энергии.
3. Легкие собрание и обслуживание: он принадлежит статической форме катушки магнитного поля спрятанной в шарикоподшипнике, настолько никакая потребность принять вне разбивочное ядр и использовать щетку углерода, которая проста использовать.
4. Уверенное действие: польза в форме плит шрапнели не отпустит несмотря на сильную вибрацию, с хорошей стойкостью
Параметры продуктов
|
Название продукта
|
Электромагнитный зажим тормоза силы серии DSZ
|
|
Модель
|
DSZ
|
|
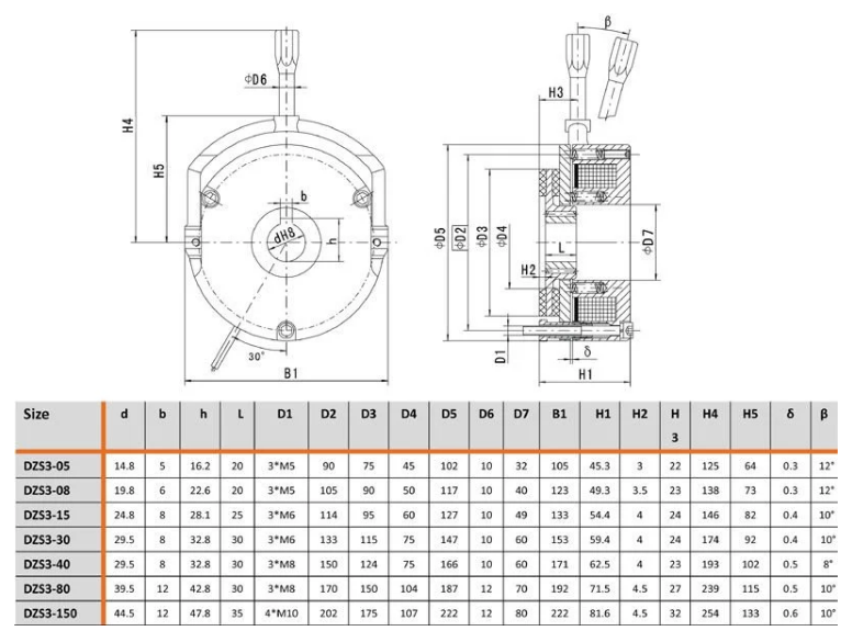
Внутренний диаметр
|
14.8-44.5mm
|
|
Наружный диаметр
|
102-222mm
|
|
Толщина
|
45.3-81.6mm
|
|
Вес
|
2.2-162kg
|
|
Емкость вращающего момента
|
5-150N.m
|
|
Пакет
|
Коробка/деревянный запрос случая/клиента
|
|
Условия оплаты
|
TT. L/C, D/A, D/P, западное соединение, PayPal
|
|
Применение
|
Машина ткани, вентиляторы, вентиляторы, печатная машина
|
