Муфта кулачка MZ нося MZ60-50 носить пути Backstop одно
Введение продукции
Машинка для стрижки главное оборудование полностью механизированного горного оборудования. Машинка для стрижки развита от машинки для стрижки. Машинка для стрижки машинное оборудование большой и комплексной системы интегрируя, электричество и гидротехник. Плохие условия труда. Если она терпит неудачу, то она приведет к перерыву всей деятельности добычи угля, приводящ в огромных экономических потерях.
В long-wall стороне добычи угля, машинка для стрижки использует работая механизм для того чтобы сломать тело угля от тела угля (угля задавливая) и нагрузить ее в работая забойный конвейер (загрузку угля). Машинка для стрижки путешествует (тяги) на скорости набора тянуть, так, что задавливать и способ наддува угля будут унесены непрерывно. Важная часть машинки для стрижки подшипник. Качество подшипников сразу связано с эффективностью продукции, поэтому каждый должен выбрать подшипники с гарантированным качеством
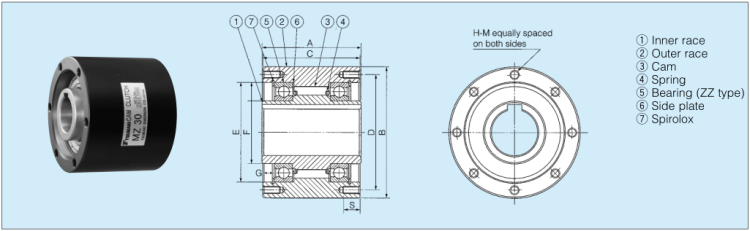
Тип MZ загерметизирован, тип подшашки freewheel, носить поддержанный используя 2 60. Серии .ZZ смазывают lubrucated подшипники. Блоки поставленный тавот смазали готовое для установки. Блоки MZ запланированы как универсальный, быть использованным в различных applicatoins. Типичное устанавливая расположение показано на следующей странице. Пользуются ключом внутренняя гонка к валу. Внутренний диаметр наружной гонки должен быть использован как устанавливая регистр для соединенных частей (цепного колеса, шкива, шестерни, руки вращающего момента…). Устанавливая spigot должен быть к допуску g6
| Деталь | MZ60-50 |
| Материал | GCr15 |
| Dia скважины. | 50 mm |
| Наружный dia. | 155 mm |
| Ширина | 102 mm |
| Емкость вращающего момента | 2110 N.m |
| Вращающий момент сопротивления | 0,98 N.m |
| Вес | 10,2 kg |
| Пакет | Коробка коробки, деревянная коробка или как ваши требования |
Параметры продуктов
| Модель | Емкость Вращающий момент (Nm) |
Вращающий момент Сопротивление (Nm) |
Над ход Максимальный. Гонка |
Над ход Максимальный. Гонка |
индицирование /min) |
Размер скважины (H7) |
Ключ путь |
B | C | PCDD |
(M6) E |
F | G |
HM нет. выстучанное x Тангаж |
S | Вес (kg) |
|
| MZ15 | 186 | 0,20 | 2 200 | 900 | 150 | 15 | 5*2.3 | 62 | 68 | 60 | 58 | 47 | 25 | 5,5 | 6*M5*P0.8 | 10 | 1,4 |
| MZ17 | 215 | 0,20 | 2 000 | 800 | 150 | 17 | 5*2.3 | 66 | 75 | 64 | 64 | 52 | 28 | 6,3 | 6*M5*P0.8 | 10 | 1,8 |
| MZ20 | 323 | 0,29 | 1 900 | 700 | 150 | 20 | 6*2.8 | 67 | 80 | 65 | 68 | 55 | 30 | 7,6 | 6*M6*P1.0 | 12 | 2,0 |
| MZ30-22 | 735 | 0,39 | 1 800 | 500 | 150 | 22 | 6*2.8 | 82 | 100 | 80 | 88 | 75 | 45 | 8,9 | 6*M8*P1.25 | 16 | 3,7 |
| MZ30-25 | 735 | 0,39 | 1 800 | 500 | 150 | 25 | 8*3.3 | 82 | 100 | 80 | 88 | 75 | 45 | 8,9 | 6*M8*P1.25 | 16 | 3,7 |
| MZ30 | 735 | 0,39 | 1 800 | 500 | 150 | 30 | 10*3.3 | 82 | 100 | 80 | 88 | 75 | 45 | 8,9 | 6*M8*P1.25 | 16 | 3,7 |
| MZ35 | 1 080 | 0,49 | 1 700 | 300 | 150 | 35 | 10*3.3 | 87 | 110 | 85 | 95 | 80 | 50 | 8,7 | 6*M8*P1.25 | 16 | 4,8 |
| MZ45-40 | 1 620 | 0,69 | 1 700 | 300 | 150 | 40 | 12*3.3 | 92 | 125 | 90 | 110 | 95 | 60 | 8,4 | 8*M8*P1.25 | 16 | 6,2 |
| MZ45 | 1 620 | 0,69 | 1 700 | 300 | 150 | 45 | 14*3.8 | 92 | 125 | 90 | 110 | 95 | 60 | 8,4 | 8*M8*P1.25 | 16 | 6,2 |
| MZ60-50 | 2 110 | 0,98 | 1 600 | 250 | 150 | 50 | 14*3.8 | 102 | 155 | 100 | 140 | 125 | 80 | 9,1 | 8*M8*P1.25 | 16 | 10,2 |
| MZ60-55 | 2 110 | 0,98 | 1 600 | 250 | 150 | 55 | 16*4.3 | 102 | 155 | 100 | 140 | 125 | 80 | 9,1 | 8*M8*P1.25 | 16 | 10,2 |
| MZ60 | 2 110 | 0,98 | 1 600 | 250 | 150 | 60 | 18*4.4 | 102 | 155 | 100 | 140 | 125 | 80 | 9,1 | 8*M8*P1.25 | 16 | 10,2 |
| MZ70-65 | 3 040 | 1,27 | 1 300 | 250 | 150 | 65 | 18*4.4 | 105 | 175 | 103 | 162 | 145 | 95 | 8,6 | 8*M8*P1.25 | 16 | 13,2 |
| MZ70 | 3 040 | 1,27 | 1 300 | 250 | 150 | 70 | 20*4.9 | 105 | 175 | 103 | 162 | 145 | 95 | 8,6 | 8*M8*P1.25 | 16 | 13,2 |
