Подшипник свободного хода RSCI Sprag Type One Direction
Введение в производство
RSCI представляет собой механизм свободного хода с центробежным подъемом и обгонной муфтой с вращающейся внутренней обоймой.Это несамостоятельный тип.
Тип RSCI представляет собой обгонную муфту центробежного подъема с кулачковым механизмом с вращающейся внутренней обоймой.Только внутреннее кольцо предназначено для свободного хода.
Обычно достаточно масляного тумана.Смазка консистентной смазкой может быть приемлемой, если агрегат работает в основном в режиме обгона, как на электродвигателях.
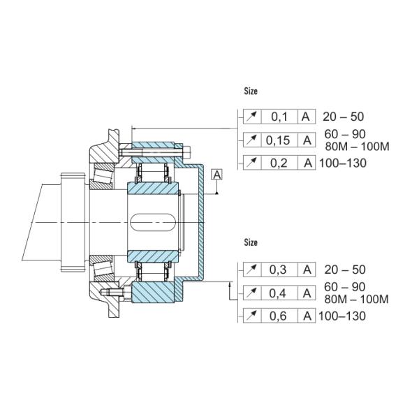
Для центрирования внешней обоймы необходимо использовать внутреннее отверстие.Центрирующая втулка не должна касаться сепаратора.
| тем | РИНЦ 20-130 |
| Материал | GCr15 |
| Диаметр отверстия | 20-130 мм |
| Внешний диам. | 90-322 мм |
| Крутящий момент | 212-15750 Нм |
| Вес(РИНЦ) | 1,5-35 кг |
| Вес(F8) | 0,3-6 кг |
| Количество Z | 6-12 |
| Срок поставки | 15-20 дней |
Параметры продуктов
| Размер | Крутящий момент | Скорости | НЕТ. | Масса | ||||||||||||||||||
| dH7 | ТКН1) | nmax2) | нимин3) | нимакс4) | Д5) | D1h6 | D2H7 | Д3 | Д4 | г | л | я | I1 | I4 | ф×45° | дмин | м | tмин | ||||
| [мм] | [Нм] | [мин-1] | [мин-1] | мин-1 | мм | мм | мм | мм | мм | мм | мм | мм | мм | мм | мм | мм | [кг] | |||||
| 180 | 31500 | 115 | 285 | 1300 | 412 | 240 | 310 | 360 | М20 | 12 | 90 | 80 | 53 | 5 | 3,5 | 280 | 18,6 | 3 | 59 | |||
| 180М | 50000 | 90 | 220 | 1300 | 422 | 240 | 310 | 370 | М20 | 18 | 120 | 120 | 83 | 0 | 4 | 280 | 18,5 | 2 | 92 | |||
| 180II | 63000 | 115 | 285 | 1300 | 412 | 240 | 310 | 360 | М20 | 24 | 160 | 160 | 118 | 0 | 3,5 | 280 | 21 | 3 | 116 | |||
| 180II-М | 100000 | 90 | 220 | 1300 | 425 | 240 | 310 | 370 | М24 | 24 | 240 | 240 | 176 | 0 | 4 | 280 | 32 | 3 | 190 | |||
| 220 | 42500 | 110 | 265 | 1100 | 470 | 290 | 360 | 410 | М20 | 16 | 105 | 80 | 60 | 12,5 | 4 | 330 | 19,5 | 3 | 90 | |||
| 220М | 68000 | 85 | 205 | 1100 | 480 | 290 | 360 | 410 | М24 | 16 | 120 | 120 | 83 | 0 | 4 | 330 | 18,5 | 2 | 109 | |||
| 220II | 85000 | 110 | 265 | 1100 | 480 | 290 | 360 | 430 | М24 | 18 | 160 | 160 | 130 | 0 | 4 | 330 | 15 | 3 | 159 | |||
| 220II-М | 136000 | 85 | 205 | 1100 | 490 | 290 | 360 | 425 | М30 | 20 | 240 | 240 | 176 | 0 | 4 | 330 | 32 | 2 | 249 | |||
| 240 | 52000 | 105 | 250 | 1100 | 500 | 320 | 390 | 440 | М20 | 16 | 105 | 90 | 60 | 7,5 | 4 | 360 | 15 | 2 | 95 | |||
| 240М | 83000 | 80 | 195 | 1100 | 520 | 320 | 390 | 440 | М24 | 16 | 120 | 120 | 83 | 0 | 4 | 360 | 18,5 | 2 | 137 | |||
| 240II | 104000 | 105 | 250 | 1100 | 520 | 320 | 390 | 440 | М24 | 24 | 180 | 180 | 132 | 0 | 4 | 360 | 24 | 2 | 191 | |||
| 240II-М | 166000 | 80 | 195 | 1100 | 530 | 320 | 390 | 455 | М30 | 24 | 240 | 240 | 181 | 0 | 4 | 360 | 32 | 2 | 250 | |||
| 260 | 65000 | 100 | 240 | 1000 | 550 | 360 | 430 | 500 | М24 | 16 | 105 | 105 | 60 | 0 | 4 | 400 | 22,5 | 2 | 130 | |||
| 260М | 100000 | 75 | 185 | 1000 | 580 | 360 | 430 | 500 | М24 | 24 | 125 | 125 | 83 | 0 | 4 | 400 | 21 | 2 | 183 | |||
| 260II | 130000 | 100 | 240 | 1000 | 580 | 360 | 430 | 500 | М24 | 24 | 210 | 210 | 132 | 0 | 4 | 400 | 39 | 2 | 262 | |||
| 260II-М | 200000 | 75 | 185 | 1000 | 580 | 360 | 430 | 500 | М30 | 24 | 250 | 250 | 176 | 0 | 4 | 400 | 37 | 2 | 369 | |||
| 300 | 78000 | 90 | 225 | 1000 | 630 | 410 | 480 | 560 | М24 | 24 | 105 | 105 | 60 | 0 | 4 | 460 | 22,5 | 3 | 174 | |||
| 300М | 125000 | 70 | 175 | 1000 | 630 | 410 | 480 | 560 | М24 | 24 | 125 | 125 | 83 | 0 | 4 | 460 | 21 | 3 | 210 | |||
| 300II | 156000 | 90 | 225 | 1000 | 630 | 410 | 480 | 560 | М24 | 24 | 210 | 210 | 134 | 0 | 4 | 460 | 38 | 3 | 351 | |||
| 300II-М | 250000 | 70 | 175 | 1000 | 630 | 410 | 480 | 560 | М30 | 24 | 250 | 250 | 182,6 | 0 | 4 | 460 | 33,7 | 3 |
457 |
|||
