альтернатор постоянного магнита редкой земли 500kw 250rpm 400V 50Hz естественный охлаженный
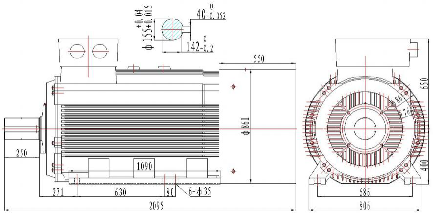
Чертеж продукта

Технический параметр
| Нет. | Параметр | Блоки | Данные |
| 1 | Сила требуемой производительности | KW | 500 |
| 2 | Проектная скорость | RPM | 250 |
| 3 | Напряжение тока требуемой производительности | ВПТ | 400 |
| 4 | Расклассифицированное течение | 750 | |
| 5 | частота | Hz | 50 |
| 6 | Поляки | 24 | |
| 7 | Эффективность на проектной скорости | >95% | |
| 8 | Обматывая тип | Y | |
| 9 | Сопротивление изоляции | 20 MΩ | |
| 10 | Изоляция | класс | H |
| 11 | Расклассифицированный вращающий момент | Nm | 19200 |
| 12 | Вращающий момент начала | Nm | <300 |
| 13 | Повышение температуры | °C | 90 |
| 14 | Максимальная работая температура | °C | 130 |
| 15 | Диаметр генератора | mm | См. чертеж |
| 16 | Диаметр вала | mm | См. чертеж |
| 17 | Расквартировывать материал | Чугун | |
| 18 | Материал вала | Сталь | |
| 19 | Подшипник | SKF | |
| 20 | Вес | Kg | 3100 |
Детальные картины

Генератор постоянного магнита прибор который преобразовывает механическую энергию к электрической энергии. В этом приборе, замотки ротора были заменены на постоянные магниты. Генераторы постоянного магнита использованы главным образом в промышленных применениях как турбины и двигатели произвести коммерчески электрическую энергию, альтернатор постоянного магнита другой источник энергии и имеет множественные преимущества которые делают им больший прибор для разнообразие жилых, коммерчески, и промышленных применений.
Структура
Генератор постоянного магнита главным образом составлен ротора, крышки конца, и статора. Структура статора очень подобна этому из обычного альтернатора. Самая большая разница между структурой ротора и альтернатором что высококачественно согласно положению постоянного магнита на роторе, генератор постоянного магнита обычно разделена в поверхностную структуру ротора и встроенную структуру ротора.

Принцип деятельности
Генератор постоянного магнита использует принцип электромагнитной индукции в котором провод режет линию магнитного поля для того чтобы навести электрический потенциал и преобразовывает механическую энергию главного - двигатель в выход электрической энергии. Он состоит из 2 частей, статора, и ротора. Статор armature который производит электричество и ротор магнитный поляк. Статор составлен металлического стержня armature, равномерно discharged трехфазных замотки, основания машины, и крышки конца.
Ротор обычно спрятанный тип поляка, который составлены возбуждения обматывая, металлический стержень и вал, защитное кольцо, разбивочное кольцо, и так далее.
Замотка возбуждения ротора кормится с DC настоящим для генерации магнитного поля близко к синусоидальному распределению (вызвал магнитное поле ротора), и свой эффективный поток возбуждения пересекает с неподвижной замоткой armature. Когда ротор вращает, магнитное поле ротора вращает вместе с ним. Каждый раз революция сделана, магнитные силовые линии режут каждый обматывать участка статора в последовательности, и трехфазный потенциал AC наведен в трехфазной замотке статора.
Когда генератор после полудня бежит с симметричной нагрузкой, трехфазный ток статора синтезирует для генерации вращая магнитного поля с синхронной скоростью. Поля статора и ротора взаимодействуют для генерации тормозя вращающего момента. Механический входной сигнал вращающего момента от турбины преодолевает тормозя вращающий момент и работы.

Особенности
①Генератор имеет много поляков, которые улучшают частоту и эффективность, сохраняющ цену выпрямителей тока и инверторов.
②Использован анализ конечного элемента конструируя генератор, компактную текстуру. Низкий вращающий момент запуска, разрешает проблему небольшого запуска ветра, улучшая использование энергии ветра.
③Выйдите вне increaser шестерни, улучшите надежность и эффективность генератора, и понизьте количество обслуживания.
④Изоляция класса h, вкрапленность давления вакуума.
⑤Имейте много структур как вертикальная ось, горизонтальная ось, внутренний ротор, внешний ротор, и тип плиты.
⑥Сильные роторы, генератор смогли достигнуть быстрого хода.
⑦Небольшой размер, легковес, плотность высокой энергии, соответствующая для особенных ситуаций.
⑧Побегите эффективность повсеместно во весь ряд скорости, высокая эффективность.
⑨Используйте импортированную высокоскоростную, который масл-содержат надежность подшипников, безуходных, и высоких.
1. Ветротурбины: Генераторы постоянного магнита широко использованы в ветротурбинах для того чтобы преобразовать кинетическую энергию ветра в электрическую энергию. Они сильно эффективны и надежны, делающ ими популярный выбор для поколения энергии ветра.
2. ГЭС: Генераторы постоянного магнита также использованы в ГЭС для того чтобы преобразовать механическую энергию падая воды в электрическую энергию. Они особенно полезны в системах низко-головы гидроэлектрических где подача воды медленна и голова низка.
3. Электротранспорты: Генераторы постоянного магнита использованы в электротранспортах для генерации электричества для поручать батарею. Они также использованы в гибридных автомобилях для того чтобы снабдить дополнительную силу двигатель.
4. Морские применения: Генераторы постоянного магнита использованы в морских применениях, как волна и поколение приливной энергии, по мере того как они сильно надежны и могут выдержать жесткие морские окружающие среды.
5. Применения в авиации и космонавтике: Генераторы постоянного магнита использованы в применениях в авиации и космонавтике, как спутниковые электрические системы и космические исследовательские ракет, по мере того как они облегченны и сильно эффективны.
6. Промышленные применения: Генераторы постоянного магнита использованы в различных промышленных применениях, как резервные электрические системы, системы чрезвычайных полномочий, и системы microgrid. Они также использованы в отдаленных областях где никакой доступ к решетке.




