Установка элементов системы 4 вибромашин шарика Findeva K-16 пневматическая бурит стальных затвердетых проводников
Сфера применения
• Опорожнять бункеров
• Сетчатые фильтры
• Вибрируя таблицы
• Предотвращение прилипаний в трубопроводах и силосохранилищах
• Транспортировать тонкоизмельченных порошков
• Двигать кусковых материалов
Конструкция
• Вибрация посредством шарика который направлен затвердетыми стальными проводниками.
• Плиты нейлона на обеих сторонах для того чтобы поддержать шарик и как защита от пыли и воды
• Снабжение жилищем с 4 устанавливая скважинами, в зависимости от применения
Быстрая деталь:
* вибромашина турбины серии k пневматическая
* материал тела прессовал алюминиевый сплав
* нержавеющая сталь тела материальная доступная
* высокотемпературный - сопротивление до 100℃
* немедленно начните, остановите, быстрая реакция
* смазка свободная
* гаван размер 1/4" g, NPT
* работая frequence и маховая сила могут быть регулируемым самолетом давлением
* работая frequence до 17000cycles/Minute на 6 Адвокатурах
* сильная маховая сила до 5070N на 6Bar
* малошумное 60~75Dba
Свойства
• Сильный
• Расклассифицированная частота 7 300 - 35,000rmp
• Маховая сила 130-4 ' 050 n
• Непрерывно переменный
• Может быть используемое °C до 100
• °C до 150 версии HT
Применения:
Пневматическая вибромашина турбины K-25 использовала широко в транспортере питания материальном, хоппере скрининга вибрации, вибрировать, упаковывая завалке, вибрации etc прессформы формовочной земли
Спецификации:


| Модель | Вибрации 1000 rpm 2bar 6bar |
Маховая сила N 2bar 6bar |
Потребление воздуха I/min 2bar 6bar |
|||
| K-8 | 25,5 | 35 | 130 | 360 | 83 | 195 |
| K-10 | 22,5 | 34 | 250 | 710 | 92 | 200 |
| K-13 | 15 | 22,5 | 320 | 870 | 94 | 225 |
| K-16 | 13 | 19,5 | 450 | 1100 | 122 | 280 |
| K-20 | 10,5 | 16,5 | 720 | 1720 | 130 | 340 |
| K-25 | 9,2 | 14 | 930 | 2050 | 160 | 425 |
| K-30 | 7,8 | 12,5 | 1510 | 3210 | 215 | 570 |
| K-36 | 7,3 | 10 | 2060 | 4050 | 260 | 675 |
Упаковка:

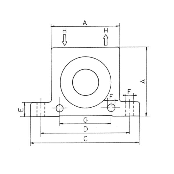
Размер:

| C | Ширина | C | D | E | F | G | H | Вес | |
| BSP | G | ||||||||
| K-8 | 50 | 20 | 86 | 68 | 12 | 7 | 40 | 1/4" | 130 |
| K-10 | 50 | 20 | 86 | 68 | 12 | 7 | 40 | 1/4" | 130 |
| K-13 | 65 | 24 | 113 | 90 | 16 | 9 | 50 | 1/4" | 260 |
| K-16 | 65 | 27 | 113 | 90 | 16 | 9 | 50 | 1/4" | 300 |
| K-20 | 80 | 33 | 128 | 104 | 16 | 9 | 60 | 1/4" | 530 |
| K-25 | 80 | 38 | 128 | 104 | 16 | 9 | 60 | 1/4" | 630 |
| K-30 | 100 | 44 | 160 | 130 | 20 | 11 | 80 | 3/8" | 1130 |
| K-36 | 100 | 50 | 160 | 130 | 20 | 11 | 80 | 3/8" | 1340 |
Конкурентное преимущество:
| Наши характеристики продукта: | Наши обслуживания гарантируют: |
| 1) Конкурентоспособная цена | 1) Подсказка отвечает (ответ с 24 часами) |
| 2) Хорошее качество | 2) Свободные образцы (оплата клиента для стоимости поставки) |
| 3) Профессиональная упаковка, | 3) Поддержка регистрации. |
| 4) Продукция согласно инструкции клиентов | 4) Фото/видео доступны во время продукции. |
| 5) Никакие задерживают пересылку | 5) Нагружая осмотр, и отправить нагружая фото перед пересылкой. |
Стандарты качества:
Компания для продуктов совершенно новые первоначальные продукты, никакие подержанные и приведенные продукты, или выйдите compensable 10 и возвратить полное количество, но покупатель должный к нашему приобретению ошибки модели не ответственен за возвращения, другую из продаж компании продуктов наслаждается одним годом от даты проверки качества пересылки, согласно первоначальным стандартам качества, во время гарантии с проблемами продукта, испытания подтверждения потребности изготовителем, поставщика, который нужно разрешить, стороны спроса должной к хранению, пользе, плохому обслуживанию причиненному продуктом низк-качества, и для того чтобы не поднять возражения
Гарантия:
Весь деталь приходит с основной гарантией 3 продавцов месяца, если деталь неполноценный в 3 месяцах, мы предложит замену без дополнительного заряжателя, то (включая грузя гонорар) после того как мы получим неполноценный деталь.
Если деталь неполноценный после 3 месяцев, покупатели может все еще отправить его назад, то мы контактируем поставщиков или Manufactory для гарантии. Покупатели могли оплатить грузя гонорар для отправляют замененный деталь.