1. Название продукта: Корм для животных цепи Oli пневматического генератора S13 пневматический филируя пневматические вибромашины шарика
2. S - РОТОРНЫЕ ПНЕВМАТИЧЕСКИЕ ВИБРОМАШИНЫ - ШАРИК
ПРИМЕНЕНИЕ: Хоппер и силосохранилище - экран - вибрируя таблица - парашют
ПОРОШОК: Сухой и зернистый
РЕШЕНИЕ ПРОБЛЕМ: Уменьшение трением - разъединение
3. Особенности
КРУГ ОБЯЗАНОСТЕЙ: Непрерывный
ДАВЛЕНИЕ ДЕЯТЕЛЬНОСТИ: От бара 2 к бару 6 (от 29 psi к 87 psi)
ПНЕВМАТИЧЕСКАЯ ЦЕПЬ: Клапан фильтра + регулирования потока + lubrification + 3/2 клапанов путей
КАЧЕСТВО ПОДАЧИ ВОЗДУХА: Класс 5.4.4.
РАБОТАЯ ТЕМПЕРАТУРА: От °C -20 к °C 200 (от °F -4 к °F 392)
МАКСИМАЛЬНЫЙ УРОВЕНЬ ШУМА: dB 90 (a)
ТЕХНОЛОГИЯ: Роторная вибрация - частота коротковолнового диапазона
ATEX: II 2D c TX, II 2G c TX
МАТЕРИАЛ: Алюминиевая крышка плиты тела и цинка
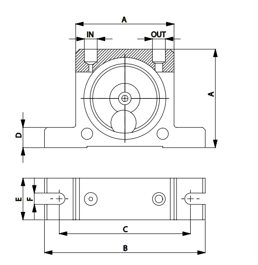
4. рисовать

| ГАБАРИТНЫЕ СПЕЦИФИКАЦИИ | |||||||||||||||
| МОДЕЛЬ | B | C | D | E | F | IN-OUT | ВЕС | ||||||||
| mm | в | mm | в | mm | в | mm | в | mm | в | mm | в | kg | lb | ||
| S8 | 50 | 2 | 86 | 3,4 | 68 | 2,7 | 12 | 0,5 | 20 | 0,8 | 7 | 0,3 | 1/8" BSPP | 0,13 | 0,29 |
| S10 | 50 | 2 | 86 | 3,4 | 68 | 2,7 | 12 | 0,5 | 20 | 0,8 | 7 | 0,3 | 1/8" BSPP | 0,13 | 0,9 |
| S13 | 65 | 2,6 | 113 | 4,5 | 90 | 3,5 | 16 | 0,6 | 25 | 1 | 9 | 0,4 | 1/4" BSPP | 0,26 | 0,57 |
| S16 | 65 | 2,6 | 113 | 4,5 | 90 | 3,5 | 16 | 0,6 | 28 | 1,1 | 9 | 0,4 | 1/4" BSPP | 0,3 | 0,66 |
| S20 | 80 | 3,2 | 128 | 5,1 | 104 | 4,1 | 16 | 0,6 | 33 | 1,3 | 9 | 0,4 | 1/4" BSPP | 0,53 | 1,17 |
| S25 | 80 | 3,2 | 128 | 5,1 | 104 | 4,1 | 16 | 0,6 | 38 | 1,5 | 9 | 0,4 | 1/4" BSPP | 0,63 | 1,39 |
| S30 | 100 | 3,9 | 160 | 6,3 | 130 | 5,1 | 20 | 0,8 | 45 | 1,8 | 11 | 0,4 | 3/8" BSPP | 1,13 | 2,49 |
| S36 | 100 | 3,9 | 160 | 6,3 | 130 | 5,1 | 20 | 0,8 | 50 | 2 | 11 | 0,4 | 3/8" BSPP | 1,34 | 2,95 |
5. данные
| МОДЕЛЬ | ВИБРАЦИЯ | F.C. МАКС | ПОТРЕБЛЕНИЕ ВОЗДУХА | ||||||||||||
| Vpm | бар 2 (29 psi) | бар 4 (58psi) | бар 6 (87 psi) | бар 2 (29 psi) | бар 4 (58psi) | бар 6 (87 psi) | |||||||||
| бар 2 (29 psi) |
бар 4 (58psi) |
бар 6 (87 psi) |
KG | LB | KG | LB | KG | LB | Л/МИН | CF/min | Л/МИН | CF/min | Л/МИН | CF/min | |
| S8 | 25500 | 31000 | 35000 | 13 | 29 | 26 | 57 | 36 | 79 | 83 | 2,9 | 145 | 5,1 | 195 | 6,9 |
| S10 | 22500 | 28000 | 34000 | 25 | 55 | 47 | 103 | 71 | 156 | 92 | 3,2 | 150 | 5,3 | 200 | 7,1 |
| S13 | 15000 | 18500 | 22500 | 32 | 70 | 55 | 121 | 87 | 191 | 94 | 3,3 | 158 | 5,6 | 225 | 7,9 |
| S16 | 13000 | 17000 | 19500 | 45 | 99 | 80 | 176 | 110 | 242 | 122 | 4,3 | 200 | 7,1 | 280 | 9,9 |
| S20 | 10500 | 14500 | 16500 | 72 | 158 | 122 | 268 | 172 | 378 | 130 | 4,6 | 230 | 8,1 | 340 | 12 |
| S25 | 9200 | 12200 | 14000 | 93 | 205 | 157 | 345 | 205 | 451 | 160 | 5,7 | 290 | 10,2 | 425 | 15 |
| S30 | 7800 | 9700 | 12500 | 151 | 332 | 247 | 543 | 321 | 706 | 215 | 7,6 | 375 | 13,2 | 570 | 20,1 |
| S36 | 7300 | 9000 | 10000 | 206 | 453 | 315 | 693 | 405 | 891 | 260 | 9,2 | 475 | 16,8 | 675 | 23,8 |
6. применяет к
1. Филировать корма для животных
2. Филировать муки
3. Обработка краски & политуры
4. Обработка пластмасс
6. шоу продукта

7. обслуживание После-продажи
Мы можем обеспечить серию обслуживания после-продажи, как внедрение продукции, установка, отладка, служба технической поддержки и так далее.
8. костюм для
| СЕРИЯ ПРОДУКТА | ПРИМЕНЕНИЯ | ПОРОШКИ | ОСОБЕННОСТИ | ПРЕИМУЩЕСТВА |
| S | Силосохранилища | Сухие порошки | Чистка рукава фильтра | Экономический |
| Хопперы | Зерна | Соответствующий для на открытом воздухе пользы | Низкое потребление воздуха | |
| Тубопровод | Пластмассы | Устойчивый к оксидации | Высокочастотная вибрация | |
| Парашюты | Песок | Atex II2G c Tx | ||
| Компактировать | Золы | Atex II2D c Tx | ||
| Цемент | ||||
| Известка |