Одиночный задерживающий клапан алюминиевого сплава направления, клапан g 1 Undirectional/8 | g 2
Материал например KA-08 сплава алюминия размера G1/8~G1/2 порта задерживающего клапана пути не-возвращения одного серии KA
Быстрая деталь:
* клапан пути Не-возвращения одного серии
* сплав алюминия тела
* гаван размер G1/8», G1/4», G3/8, G1/2»
* компактный дизайн, небольшой том
* легкая деятельность, чувствительная Respond
* сразу установка соединения трубы, легкий и удобный
*Stable дизайн, длинная serive жизнь
Применения:
Серия KA один клапан не-возвращения пути используемый для защиты пневматической системы для того чтобы держать от возвращения работы среднего когда в давлении более низком чем вне давление, с задерживающим клапаном серии KA, направление воздушного потока будет один путь держать от воздуха смешанного для того чтобы произойти вред к системе или повреждение к работая компонентам.
Спецификации:
| ПРИКАЗЫВАЯ КОД | |
| KA | 08 |
| Тип | Гаван размер |
| KA: Задерживающий клапан серии KA | 06: G1/8» |
| 08: G1/4» | |
| 10: G3/8» | |
| 15: G1/2» | |
| СПЕЦИФИКАЦИЯ | ||||
| Модель нет | KA-06 | KA-08 | KA-10 | KA-15 |
| Средство деятельности | Обжатый 40 микронов фильтровал воздух | |||
| Материал тела | Алюминиевый сплав | |||
| Гаван размер | G1/8» | G1/4» | G3/8» | G1/2» |
| Отвечает время (Sec) | 0,03 | |||
| Давление деятельности | 0.05~0.8MPa | |||
| Рабочая температура | – 5~60℃ | |||


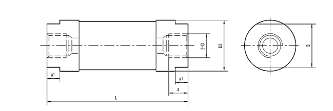
| Модель никакая | D | D2 | S | L | a | a1 |
| KA-06 | G1/8 (M10X1) | Ф24 | 21 | 64 | 7 | 7 |
| KA-08 | G1/4 (M12X1.5) | Ф24 | 21 | 64 | 7 | 7 |
| KA-10 | G3/8 (M16X1.5) | Ф38 | 35 | 82 | 9 | 9 |
| KA-15 | G1/2 (M20X1.5) | Ф38 | 35 | 82 | 9 | 9 |