Выпускной золотник серии QE быстрый, g 1/8" к g 3/4" автоматический клапан регулирования потока
Размер G1/8~G3/4 например QE-02 порта выпускного клапана серии QE быстрый
Быстрая деталь:
* выпускной клапан серии QE быстрый
* сплав тела материальный алюминиевый
* гаван размер G1/8», G1/4», G3/8, G1/2», G3/8», G1»
* компактный дизайн, небольшой том, облегченный
* легкая деятельность, чувствительная Respond
* быстро выматывающся, деятельность безопасности
* сразу установка соединения трубы, легкий и удобный
* стабилизированный дизайн, длинная serive жизнь
Пневматический клапан, быстрый выпускной клапан, клапан регулирования потока
Применения:
Выпускной клапан серии QE быстрый широко использует в месте пневматической системы самом высоком, поворачивая месте или везде эти воздух закрывать-в, оно могут быстро выматывающся закрывать-в воздухе для того чтобы держать трубу системы до конца и держать движение компонентов ровно, и безопасно.
Например, QE установило между цилиндром и модулирующая лампа около цилиндра, консервная банка направления цилиндра воздуха exhuasting сразу путем выпускной клапан не через модулирующую лампу направления, может улучшить скорость цилиндра работая эффектно
Specifiction
| Модель | QE-01 | QE-02 | QE-03 | QE-04 | QE-06 |
| Средство деятельности | Воздух | ||||
| Эффективная секционная область | 16mm2 | 27.5mm2 | 28mm2 | 71mm2 | 72.5mm2 |
| Гаван размер | G1/8 ″ | G1/4 ″ | G3/8 ″ | G1/2 ″ | G3/4 ″ |
| ряд Работать-давления | 0 | 0.8MPa | ||||
| Рабочая температура | 0 | 60℃ | ||||



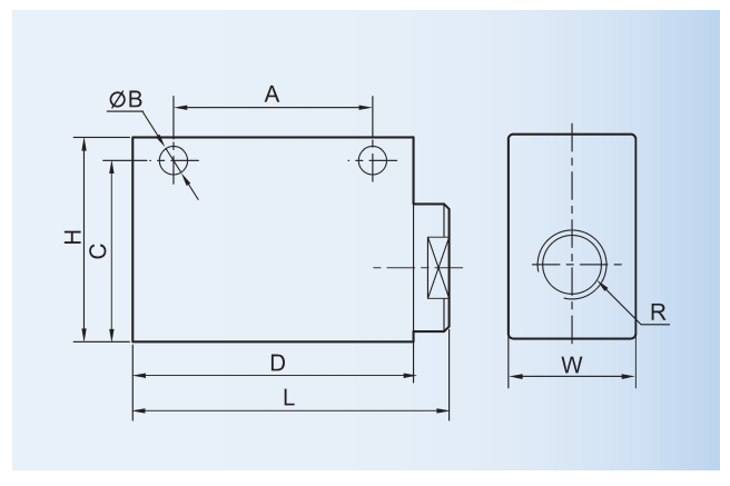
| Модель | Скважина | L | W | H | B | C | D | |
| QE-01 | G1/8 ″ | 46 | 20 | 32 | 30 | 4,3 | 27 | 40 |
| QE-02 | G3/8 ″ | 62 | 25 | 40 | 39 | 5,6 | 33,5 | 55 |
| QE-03 | G3/8 ″ | 62 | 25 | 40 | 39 | 5,6 | 33,5 | 55 |
| QE-04 | G1/2 ″ | 98 | 38 | 64 | 60 | 8,5 | 51 | 90 |
| QE-06 | G3/4 ″ | 98 | 38 | 64 | 60 | 8,5 | 51 | 90 |