Катушка соленоида для комплекта для ремонта соединителя AMP рельса инжектора LPG CNG
Так называемая электромагнитная катушка, которая установлена присутсвием магнитного поля вокруг провода, рана в спиралевидное усиливая магнитное поле, т.е., минимальное магнитное поле использована для того чтобы достигнуть самой высокой прочности магнитного поля, и провод со слоем изолируя политуры на поверхности заменен общим проводом. Сохранить космос.
Оно имеет высокий уровень безопасности, хорошую стабильность, длинный срок службы, магнитную прочность можно изменить, и свой ряд применения широк, поэтому он благоволить к людьми в рынке.
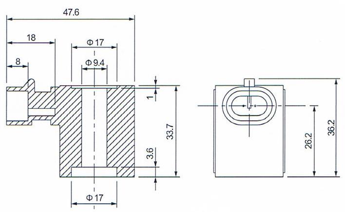
Размер катушки клапана соленоида BB09533619:

Технические данные:
|
Модель
|
BB09533619
|
|
Размер отверстия
|
9.4mm
|
|
Высота
|
33.7mm
|
|
Ширина
|
26.5mm
|
|
Соединитель
|
AMP
|
|
Класс изоляции
|
H
|
|
Класс защиты
|
IP65, IP67, IP68
|
|
Нормальное напряжение тока
|
DC12V
|
|
Сопротивление
|
3 ома
|
|
Применение
|
Тип 30, БЫСТРЫЙ рельс МЕЧТЫ инжектора
|
Производственная линия катушки соленоида:
Внимание:
1. Эта катушка соленоида насоса компрессора подвеса воздуха сделана высококачественных компонентов.
2. Заменяет первоначальную катушку соленоида компрессора воздуха вашего автомобиля и приравнивает первоначальное качество.
3. Пожалуйста двойной подтвердить совместимость так же, как номер OEM перед покупать.
4. инструкция не включенна. Профессиональная установка порекомендована.
Шаги и методы для свойственной установки катушки клапана соленоида:
1. Проверите если клапан соленоида и выбранные параметры это же, как перепад давления, etc. если ошибка происходит, то, катушка клапана соленоида будут ожогом вне. Качания напряжения должны находиться внутри нормальный диапазон и встретиться расклассифицированное напряжение тока.
2. Перед соединять трубопровод, потопите трубопровод и извлеките остаточную грязь в трубопроводе. Если остаточные пятна, то оно повлияет на нормальную пользу клапана соленоида. Для предотвращения этого, фильтр должен быть установлен в трубопровод.
3. Установите катушку клапана соленоида клапана соленоида вертикально на горизонтальные и земные трубы. Если особенная ситуация, то ее нельзя установить вертикально. Соотвествующий клапан соленоида должен быть приказан заранее, в противном случае клапан соленоида не будет работать как следует.
4. При установке, добавьте процесс безопасности и установить ручной режа клапан для того чтобы облегчить обслуживание в случае отказа.
5. Внимание оплаты к направлению при установке, нельзя обратить, установленный в направление показал на пакете, и смогите быть обращено в некоторые специальные случаи как вакуум.
6. Если вода может быть повреждена средством, то вы должны принять соотвествующие предохранительные меры или выбрать клапан соленоида с водоустойчивой функцией молотка.
7. Клапан соленоида не может быть подпитанным всем временем, в противном случае он уменьшит свою жизнь. Заметьте это нормально открытые, нормально закрытые клапаны соленоида не смогите быть использовано с осторожностью.
Характеристики продукта:
1. Используя высококачественный провод который имеет UL одобрил; 2. Используя материал высококачественного permeablity магнитный которые содержат низкоуглеродистое;
3. Используя высококачественный расквартировывая материал как PA66, PBT, PPS, BMC и так далее.
4. Класс изоляции может быть b, f, h, n, c;
5. Класс защиты может быть IP65, IP67 & IP69K;
6. Мы также предлагаем особенные катушки как бывший-защитные катушки, катушки доказательства воды и так далее.
7. Если вы имеете особенное требование, то pls чувствуют свободными связаться мы.
Фокус на ваших требованиях, предложение вы самое лучшее решение:
√ свяжется мы если некоторые пункты вы имеют сомнение
√ свяжется мы если где-то нужно изменить
√ свяжется мы если не одно, то вы ищете
√ свяжется мы если вы делаете конструировать
Добро пожаловать к вашим любым вопросу и дознанию!