24V катушка клапана соленоида 113-030-0039 113-030-0040 AC 113-030-0029
Эта катушка 0543 соленоидов тип катушка NASS соленоида системы 13 110-030, который термореактивная катушка. Типы электромагнитных катушек главным образом следующим образом: термопластиковая катушка, термореактивная катушка, взрывозащищенная катушка, водоустойчивая катушка и лак-окунутая катушка. Среди их, термопластиковая катушка и термореактивная катушка принадлежат пластиковой загерметизированной электромагнитной катушке, термопластиковая катушка имеют сопротивление хорошей погоды и твердость, термореактивная катушка имеет более высокую ранг сопротивления температуры, более небольшую усушку во время инжекционного метода литья, и относительно плоскую форму.
Технический параметр электронных катушек соленоида дренажного клапана:
| Код никакой | Напряжение тока |
Частота (Hz) |
Сила
W/VA
|
|
| 113-030-0042 | 24VDC | 2,0 | ||
| 113-030-0045 | 48VDC | 2,1 | ||
| 113-030-0032 | 48VDC | 1,6 | ||
| 113-030-0032 | 220VAC | 50 | 6,4 | |
| 113-030-0032 | 230VAC | 50 | 6,6 | |
| 113-030-0032 | 240VAC | 50 | 5,7 | |
| 113-030-0278 | 12VDC | 6,0 | ||
| 113-030-0026 | 24VDC | 6,1 | ||
| 113-030-0029 | 24VAC | 50 | 10,8 | |
| 113-030-0029 | 24VAC | 60 | 9,6 | |
| 113-030-0036 | 110VAC | 50 | 11,1 | |
| 113-030-0036 | 120VAC | 60 | 11,7 | |
| 113-030-0033 | 220VAC | 50 | 10,8 | |
| 113-030-0044 | 12VAC | 50 | 19,3 | |
| 113-030-0044 | 12VAC | 50 | 17,1 | |
| 113-030-0027 | 24VDC | 11,0 | ||
| 113-030-0039 | 24VAC | 50 | 17,9 | |
| 113-030-0039 | 24VAC | 60 | 15,6 | |
| 113-030-0037 | 110VAC | 50 | 17,6 | |
| 113-030-0037 | 120VAC | 50 | 18,3 | |
| 113-030-0034 | 220VAC | 50 | 18,1 | |
| 113-030-0034 | 240VAC | 60 | 18,9 | |
| 113-030-0033 | 240VAC | 50 | 11,4 | |
| 113-030-0047 | 12VDC | 15,0 | ||
| 113-030-0028 | 24VDC | 15,0 | ||
| 113-030-0040 | 24VAC | 50 | 21,8, | |
| 113-030-0040 | 24VAC | 50 | 19,4 | |
| 113-030-0043 | 48VAC | 50 | 26,2 | |
| 113-030-0043 | 48VAC | 50 | 23,2 | |
| 113-030-0052 | 48VAC | 50 | 19,0 | |
| 113-030-0052 | 48VAC | 50 | 16,6 | |
| 113-030-0038 | 110VAC | 50 | 24,8 | |
| 113-030-0049 | 110VAC | 50 | 21,7 | |
| 113-030-0049 | 110VAC | 50 | 19,2 | |
| 113-030-0038 | 120VAC | 50 | 26,1 | |
| 113-030-0041 | 195VDC | 16,6 | ||
| 113-030-0035 | 220VAC | 50 | 22,0 | |
| 113-030-0050 | 230vAC | 50 | 21,4 | |
| 113-030-0050 | 230VAC | 50 | 19,0 | |
| 113-030-0031 | 240VAC | 50 | 17,9 | |
| 113-030-0035 | 240VAC | 50 | 23,2 | |
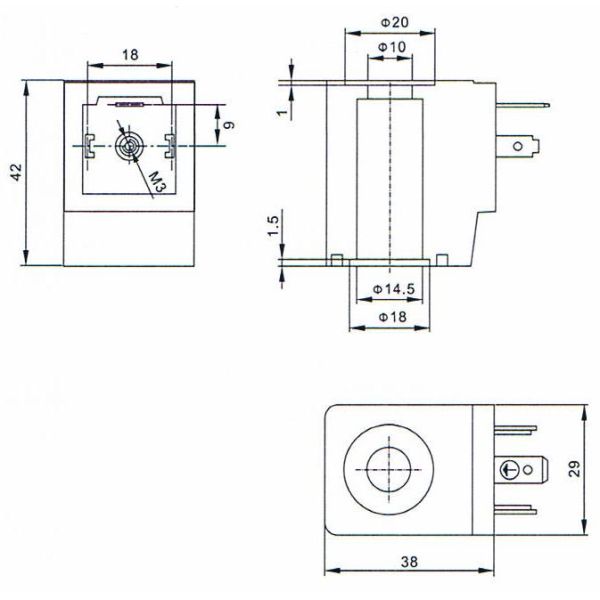
Основной размер катушек 5043/5045 соленоидов для дренажного клапана воды электронного:

Увеличение детали 14 mm внутри катушек соленоида отверстия 42 высоких электрических:

Соединение катушек черноты AC220V/DC24V электромагнитных в электронном дренажном клапане:

Фокус на ваших требованиях, предложение вы самое лучшее решение:
√ свяжется мы если некоторые пункты вы имеют сомнение
√ свяжется мы если где-то нужно изменить
√ свяжется мы если не одно, то вы ищете
√ свяжется мы если вы делаете конструировать
Добро пожаловать к вашему дознанию!