тип 5/2 клапан 4M110-06 Airtac соленоида держателя Намюр пути
Клапан Намюр электрические клапаны для пользы с жидкостями или газами. Клапаны проконтролированы течениями соленоида: в случае двух проходных клапанов, подача переключенные включено-выключено; В случае клапана 3-порта, течение выхода перенесено между 2 портами выввода. Этот прибор конструирован для непосредственного отношения с любым положением на интерфейсе НАМЮР. Клапан НАМЮР анодировал алюминиевое тело, трубу нержавеющей стали, и латунные части. Задняя часть весны позволяет небезопасной деятельности в случае аварии электросети, и проверка вытыхания защищает функцию клапана пока в на открытом воздухе пользе. Множественный клапан namur можно поместить совместно на коллекторном клапане.
Технические данные клапана соленоида Намюр серии 4M:
| Модель никакая |
4M110-M5 4M120-M5 |
4M110-06 4M120-06 |
4M210-06 4M220-06 |
4M210-08 4M220-08 |
4M310-08 4M320-08 |
4M310-10 4M320-10 |
| Жидкость | Воздух (быть фильтрованным патроном фильтра 40 μm) | |||||
| Гаван размер | In=Out=M5 | In=Out=1/8» | In=Out=1/8» |
In=1/4», Out=1/8» |
In=Out=1/4» |
In=3/8», Out=1/4» |
| Размер отверстия |
² 5.5mm (Cv=0.31) |
² 12.0mm (Cv=0.67) |
² 14.0mm (Cv=0.78) |
² 16.0mm (Cv=0.89) |
² 25.0mm (Cv=1.40) |
² 30.0mm (Cv=1.67) |
| Тип клапана | 5 положение пути 2 | |||||
| Рабочее давение | 0,15 к 0.8MPa (21 до 114 PSI) | |||||
| Давление доказательства | 1.5MPa (215PSI) | |||||
| Температура (℃) | -20 до +70 | |||||
| Материал тела | Алюминиевый сплав | |||||
| Максимальн Частота | 5 циклов/во-вторых | 4 цикла/во-вторых | ||||
| Напряжения тока катушки | 12VDC, 24VDC, 24VAC, 110VAC, 220VAC | |||||
| Класс предохранения от катушки | IP65 | |||||
| Активируя время | 0,05 во-вторых и ниже | |||||
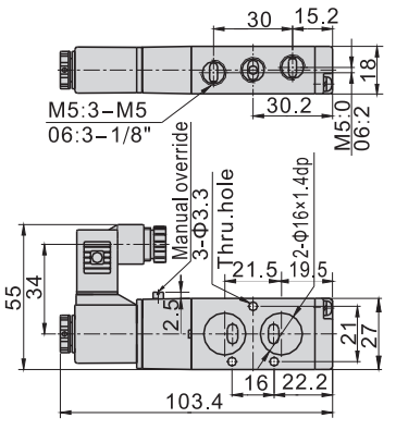
Размер клапана соленоида 4A110-06 Намюр:

Видео продукции клапанов BRANDO пневматических:
Более пневматические продукты для вас, который нужно выбрать:
| Клапаны 2/2 путей пневматические | Клапаны 3/2 путей пневматические | Клапаны 5/2 путей пневматические | Клапаны 5/3 путей пневматические |
| Клапан воздуха пилотный | Блок FRL | Пневматические цилиндры | Звукоглушители и штуцеры |
![]() |
![]() |
![]() |
![]() ![]() |
Фокус на ваших требованиях, предложение вы самое лучшее решение:
√ свяжется мы если некоторые пункты вы имеют сомнение
√ свяжется мы если где-то нужно изменить
√ свяжется мы если не одно, то вы ищете
√ свяжется мы если вы делаете конструировать
Добро пожаловать к вашим любым вопросу и дознанию!