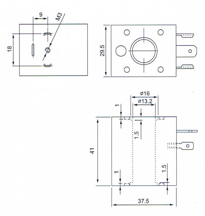
Катушка клапана соленоида регулирования потока диаметра отверстия Best.Nr.0200 13.2mm
Потому что микро-моторы, электроприборы, трансформаторы или метры и другие индустрии имеют высокие требования на числе поворотов их катушек соленоида, и некоторое даже не позвольте ошибкам полу-поворота. Поэтому, число поворотов обматывая машины должно быть точно и надежно. Наша компания использует полностью автоматическую обматывая машину для произведения Best-Nr0200 типа катушка соленоида обеспечить точность числа поворотов катушки.
Число поворотов катушки отражено числом поворотов вала обматывая машины главного. Число поворотов после этого преобразовано в сигнал ИМПа ульс камышовым датчиком, сформировано формируя цепью, и преобразовано в прямоугольную волну, которая продифференцирована для того чтобы вызвать счетчик. Когда сигнал дали входным сигналом, который составленный переключателя одно-поляка двух позиционного совпадает со считая сигналом счетчика, т.е., когда число поворотов необходимо, что было обветрено последовательно с числом поворотов которые обветренный, цеп-уступчивая дверь оно повернута дальше, и сигнал отправлен в регулятор, так, что обматывая мотор немедленно будет остановлен, таким образом обеспечивающ точность управления подола.
Технический параметр Best-Nr0200 типа катушки соленоида:
| Номер модели | BB13241002 |
| Нормальное напряжение тока | DC24V/AC220V; другое напряжение тока можно подгонять |
| Нормальная сила | AC: 18VA DC15W |
| Класс изоляции | H, F |
| Тип соединения | DIN43650A |
| Применение | Клапан соленоида воды |
| Вес | 137,5 g |
| Размер отверстия | 13 mm |
| Высота | 41 mm |
Основной размер 0200 типа катушки клапана соленоида воды:

Изображение деконструкции катушки соленоида AC220V/DC24V для клапана воды электромагнитного:

Высота 41mm отверстия 13mm нормально близкой 0200 катушки клапана соленоида ИМПа ульс внутренняя:

Покрытый эмалью провод широко использован, главным образом внутри: индукторы, VCM, трансформаторы, катушки соленоида, датчики, передатчики частоты, приборы обнаружения радиолокатора, etc., включая много полей электронных блоков.
Определение провода соленоида покрытого эмалью катушкой (провод покрытый эмалью само-прилипателем & покрытый эмалью не-собственн-прилипателем провод):
Провод соленоида покрытый эмалью катушкой сделан высокочистого, проводник высоко-проводимости покрытый с изолируя покрытием, а именно: проводник + изолируя краска + слипчивый слой = покрытый эмалью само-прилипателем провод
Само-прилипатель покрыл эмалью провод особенный покрытый эмалью провод, который потому что свои особенные обрабатывая свойства делают изготовление катушки простой и легкий. Обветренная катушка может быть скреплена и сформирована топлением или растворяющей обработкой, и отливая в форму метод прост, и получает широкое применение к изготовлению различных осложненных или не-скелетных электромагнитных катушек. Применение провода покрытого эмалью само-прилипателем также приносит значительные социальные и экономические преимущества, которые могут упростить катушку формируя процесс, улучшить эффективность работы, сохранить энергию, улучшить загрязнение окружающей среды, облегчить промышленное производство, и вносит вклад в устойчивое и сбалансированное развитие.
Провод покрытый эмалью само-прилипателем имеет составную структуру, т.е., слой слипчивой краски приложен к наружной поверхности обычного покрытого эмалью провода (базиса). В настоящее время, Китай прикрепляет большое значение в развитие составного изолируя покрытого эмалью провода, который имеет характеристики хороших разнообразия и хорошей работы. В виду того что составной слой покрыл эмалью провод покрыт с 2 до 3 слоями различных материалов, его совместим с разнообразие различными характеристиками краски сравненными с однослойным провода, который разрешает проблему что одиночный материал не соотвествует продукции. В само-прилипателе покрытая эмалью структура провода составного слоя, изолируя политура главным образом гарантирует проведение изоляции провода, и второй внешний вязкостный лак главным образом использован для того чтобы отвечать потребностямы катушки формируя процесс, и действует как выпуск облигаций и защищает и увеличивает базис.
Добро пожаловать к вашему дознанию!