Тип магнитная катушка ДК12В АТИКЭР для клапана соленоида нефти ЛПГ-КНГ/1300/МВ Мултивальве
Этот тип магнитная катушка ДК12В АТИКЭР важный компонент танков систем ЛПГ аутомгас. ЛПГ аббревиатура сжиженного нефтяного газа. Когда переключатель перевозки горючего повернут к положению ЛПГ, выключен подпитан клапан соленоида бензина (отрезок для поставки), клапан соленоида ЛПГ, жидкость ЛПГ приходит из бака для хранения в регулируемой газовой среде, и клапан соленоида ЛПГ достигает регулировку давления испарения. После быть сброшенным давление, испарение будет газом близко к атмосферному давлению поставить воздух к двигателю. Функция клапана соленоида ЛПГ переключить бензин или ЛПГ включено-выключено во время переключения топлива, поэтому она значит что клапан соленоида ЛПГ электромагнитный переключатель.
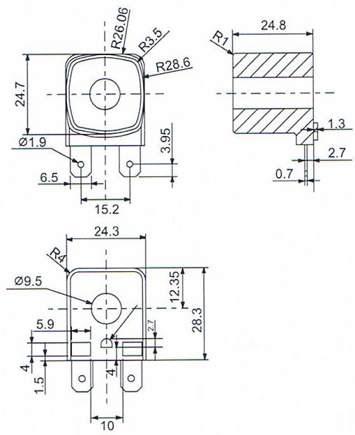
Технический параметр типа катушки ДК12В АТИКЭР соленоида:
| Модель | ББ09325013 |
| Нормальное напряжение тока | ДК12В; или подгонянный |
| Нормальная сила | ДК: 13В |
| Класс изоляции | Х |
| Тип соединения | 6.3мм кс 0.8мм |
| Применение | Катушка клапана соленоида нефти ЛПГ-КНГ/1300/МВ Мултивальве |
| Вес | 43,5 г |
| Размер отверстия | 9 мм |
| Высота | 24,8 мм |
Основной размер катушек клапана соленоида нефти 12ВДК ЛПГ-КНГ:

Применение катушек клапана МВ Мултивальве электрических магнитных:

Продукция катушек соленоида ЛПГ 1300 электромагнитных:

Диагноз и исключение общих недостатков в двойной системе ЛПГ автомобиля топлива
Основные недостатки системы появляются в интегрированный клапан, клапан соленоида бензина, клапан соленоида ЛПГ, испаряясь регулятор, начинающ (бездельничайте) клапан соленоида и другие компоненты. Теперь мы кратко вводим несколько главных недостатков:
(1) явление недостатка: бензобак нельзя поручить в ЛПГ
Причина: Клапан предела на интегрированном клапане плавает. Под действием весны, штанга поплавка поднимает к самому высокому положению и закрывает порт завалки газа ЛПГ, так, что систему нельзя заполнить с газом ЛПГ.
Решение: Замените обязанност-ограничиваясь поплавок клапана или интегрированное собрание клапана.
(2) явление недостатка: После того как ЛПГ добавлен за расклассифицированной емкостью, интегрированный клапан не ограничен.
Причина: Когда жидкость ФПг в камере плавающего клапана интегрированного клапана входит в жидкость ЛПГ, штанга поплавка деформирована или штанга поплавка разделена, сила весны клапана обязанности предела нет достаточно для того чтобы преодолевать вес поплавка, и поплавок не может закрыть порт инфляции, приводящ в никакой обязанности.
Решение: Замените интегрированные клапан или поплавок.
{3) явление недостатка: отсутствие числа оборотов холостого хода, быстрого хода.
Причина: Когда бесполезный стрейнер тела клапана соленоида будет прегражен или катушка открыта, двигатель не бездельничает.
Решение: Очистите бесполезный фильтр тела клапана или замените клапан соленоида.
(4) явление недостатка: Когда горя ЛПГ, датчик уровня горючего не показывает жидкостный уровень (газ в бензобаке).
Причина: Халл типа жидкостная линия перерыв ровного датчика, деформация поплавка, жидкость ЛПГ входя в поплавок, деформацию вентилятора зуба привода причинит этот вид отказа.
Решение: Проверите линию, проверите интегрированный клапан и замените при необходимости.
(5) явление недостатка: Горя бензин, двигатель нельзя начать.
Причина: Клапан соленоида бензина фиксирован на теле корабля для того чтобы осуществить зазмеление. Когда клапан соленоида дисконнектед от тела корабля или линия сломленна, клапан соленоида не может работать, и топливо нельзя поставить к карбюратору, и двигатель нельзя начать.
Решение: Ре-починка клапан соленоида или ремонтирует линию.
(6) явление недостатка: Когда ЛПГ будет переключен, двигатель будет повернут после 3 секунд бега.
Причина: Клапан соленоида входа и бесполезный клапан соленоида не открыты.
Решение: Отремонтируйте или замените переключатель на безопасный режим, клапан соленоида входа или бездельничайте клапан соленоида.
Добро пожаловать к вашему дознанию!