Клапаны соленоида масла Г2» СС пневматические 2 клапана ДК12В ДК24В АК24В АК110В путей электронных
Клапаны соленоида воды соответствующие для воды или жидкостной работы и могут автоматически контролировать или удаленно контролировать переключение труб средства деятельности как вода, масло и жидкости. Потому что клапан загерметизирован с резиной, чистота средства деятельности значительно уменьшена, отверстие и заключение быстры, и надежность высока.
Технические данные:
| Модель | 2В025-06 | 2В025-08 | 2в040-10 | 2В160-10 | 2В160-15 | 2В200-20 | 2В250-25 | 2В350-35 | 2В400-40 | 2В500-50 |
| Средство деятельности | Воздух, вода, газ, масло, пар | |||||||||
| Тип движения | Тип Директ управляя | |||||||||
| Тип | Нормальный закрытый тип | |||||||||
| Размер порта | 1/8" | 1/4" | 3/8" | 3/8" | 1/5" | 3/4" | 1" | 1 1/4" | 1 1/2» | 2" |
| Работая жидкая выкостность | (ниже) кст 20 | |||||||||
| Давление деятельности | Воздух, вода, газ, масло, пар: 0.07мпа | |||||||||
Структура продукта внутренняя пневматических клапанов соленоида 2С500-50:

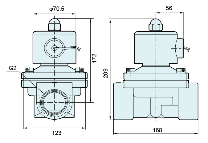
Основной размер пневматических клапанов соленоида 2С500-50:

Область применения пневматических клапанов соленоида 2С500-50:

Метод установки/шаги клапанов соленоида воды 2С500-50:
1, клапаны соленоида обычно ориентировано и не может быть обращено. Обычно, направление в котором средние подачи показаны «→» на теле клапана. Установка должна находиться в направлении показанном «→» (только компанией смогите иногда находиться в линии вакуума или в особых случаях). Предложения для того чтобы обратить установку).
2, клапан а ручной запорный должны быть добавлены перед и после клапаном соленоида и обход должен быть обеспечены, что обслуживал клапан соленоида в случае недостатка.
3, если средство причинит молоток воды, то вы должны выбрать клапан соленоида с водоустойчивой функцией молотка или принять соотвествующие меры предосторожности.
4, перед собирать, полный труба с некоторым высоким давлением извлечь выпарку материала металлического порошка и запечатывания, корозия, етк. в трубе. Обратите внимание чистота средств массовой информации. Если средства массовой информации загрязнены с пылью, примесями, етк., то которые препятствуют нормальное функционирование клапана соленоида, установите фильтр в трубу (сетку ≥ 60 фильтра).
5, ловушка пара должны быть приспособлены к стороне входа клапана соленоида пара и сопло должно быть опрокинуто.
6, клапан соленоида не должны быть установлены в низкий паз трубы и должны быть установлены в отводный штуцер контейнера. Пожалуйста заметьте что он следует извлечь из дна контейнера, но быть установлено на дно контейнера.
7, быть осторожным не использовать чрезмерный материал запечатывания принимая сверх.
8, пробуют не подпитать клапан соленоида в течение длительного времени, который легко уменьшит жизнь катушки и даже сгорит катушку. Другими словами, нормально открытые и нормально закрытые клапаны соленоида не заменимы.
Добро пожаловать к вашему дознанию!