Охлаждая катушка рефрижерации замены BB230AS 018F7351 машины
Что катушка клапана соленоида?
Цель катушки клапана соленоида преобразовать электрическую энергию в линейное движение. Катушка состоит из раны медной проволоки (или алюминия) вокруг неубедительной формы. Когда созданы подачи электрического тока через катушку, магнитное поле. Это выполнено путем устанавливать сегнетомагнитное ядр внутри катушки. В клапане соленоида, сегнетомагнитное ядр вызвано плунжером клапана. Когда настоящие подачи через катушку, линии магнитного потока поворачивают плунжер в электромагнит. Магнитное поле причиняет плунжер сползти для того чтобы продвинуть вверх в катушку, раскрывающ отверстие тела клапана или пилотное отверстие.
Технический параметр типа катушки руководства провода 15mm рефрижерации:
| Номера модели | BB15045010 | BB15058555 | BB15045054 |
| Нормальное напряжение тока | AC220V/DC24V | ||
| Нормальная сила | AC: 11VA DC10W | AC: 18VA DC19W | AC: 25VA DC16W |
| Класс изоляции | H, F | H | |
| Тип соединения | DIN43650 | ||
| Применение | Клапан соленоида рефрижерации серии EVR | ||
| Вес | 314 g | 310 g | 487,5 g |
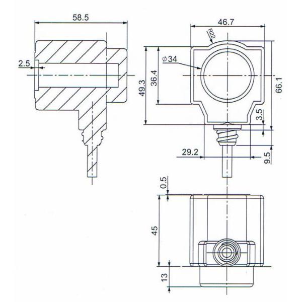
Основной размер клапана соленоида рефрижерации серии EVR свертывает спиралью руководства летания:

Машина замотки катушек клапана соленоида серии AC220V/DC24V EVR электрических:

Клапан соленоида рефрижерации с машиной электромагнитных катушек испытывая:

Ежедневный клапан соленоида с решением проблем катушек охладителя низкой температуры:
Клапан соленоида используемый в охладителе низкой температуры составлен катушки соленоида и магнитного ядра, и тело клапана включая одно или несколько отверстий. Когда будет подпитана или будет выключена катушка, деятельность ядра причинит жидкость пройти через тело клапана или быть разъединенным для того чтобы достигнуть цели изменения направления жидкости. Если клапан соленоида не работает, то он сразу повлияет на действие клапана переключения охладителя и регулируя клапана. Когда клапан соленоида охладителя низкой температуры не работает, Hailingke Xiaobian должно быть расследовано от следующих 4 аспектов:
1. Терминал клапана соленоида свободен или концы провода. Клапан соленоида не позволен быть подпитанным и концы провода можно затянуть.
2, клапан соленоида вставлены: сползая зазор между рукавом сползая клапана и ядром клапана низкотемпературного клапана соленоида охладителя очень небольшое, вообще цельное собрание, когда механические примеси принесены внутри или смазывая масло слишком небольшое, оно легок для того чтобы получить вставленным. Метод лечения может использовать стальной провод для того чтобы сломать внутри от небольшого отверстия головы для того чтобы сделать его отскочить назад. Основное решение извлечь клапан соленоида, принимает вне штепсельную вилку клапана и рукав ядра клапана и очищает его, так, что ядр клапана сможет двинуть гибко в рукав клапана. Демонтируя, обратите внимание последовательность собрания каждого компонента и внешнего связывая проволокой положения, для того чтобы reassemble и связать проволокой правильно, и проверите ли прегражено отверстие впрыски тумана масла и смазывая масло достаточно.
3. Утечка воздуха: Утечка воздуха причинит недостаточное воздушное давление, которое делает, который принудили клапан открытой и близко трудный. Причина что набивка повреждено или катышка несена вне, причинять нескольк гелий полости. Общаясь с отказом клапана соленоида переключая системы, соотвествующее время должно быть выбрано, и клапан соленоида должен быть обработан когда сила потеряна. Если обработка не выполнена не позднее один переключая зазор, то переключая систему можно приостанавливать и позабоченный о.
4. Катушка клапана соленоида горится вне: Проводку клапана соленоида можно извлечь и измерить с вольтамперомметром. Если цепь открыта, то катушка клапана соленоида горится вне. Причина что катушка влажна, причиняющ плохую изоляцию и магнитную утечку, причиняющ течение в катушке быть слишком большой и горящ, поэтому необходимо предотвратить дождевую воду от входа клапана соленоида. К тому же, весна слишком трудна, реактивная сила слишком большая, число поворотов катушки слишком небольшое, и всасывающая сила недостаточна для того чтобы причинить катушку клапана соленоида охладителя низкой температуры сгореть. Для аварийной регуляции, ручную кнопку на катушке можно повернуть от «0" положение до «1" положение во время нормального функционирования, причиняя клапан раскрыть.
Пожалуйста свяжитесь мы для получения более подробной информации!