Катушка клапана соленоида воды системы обратного осмоза очистителя воды
Катушка соленоида воды RO соответствующая для 1/4" и 3/8" гаван размер быстро соединяется/всеобщий клапан соленоида входа воды, вообще используемый в чистых машине воды, оборудовании очистки воды, через клапан соленоида управлением DC 24V к открытому и близкой, для чистой машины воды 50-400G клапан соленоида входа воды командный выключатель водного пути, и электронный блок командного выключателя цепи воды используемый совместно с повсюду переключателем напряжения тока или системой управления распределительного ящика микрокомпьютера, не проходит воду когда не подпитанный, и подпитан для того чтобы пройти воду. Также использованный в других станциях автоматического регулирования: солнечное автоматическое водоснабжение, изделия ультракрасной индукции санитарные, ливень, распределитель воды, машина управлением воды, автоматический распределитель воды, нагреватель воды, оборудование карты кампуса и другое управление переключателя, вход воды и выход порт под углом 180° и вызваны встроенным клапаном.
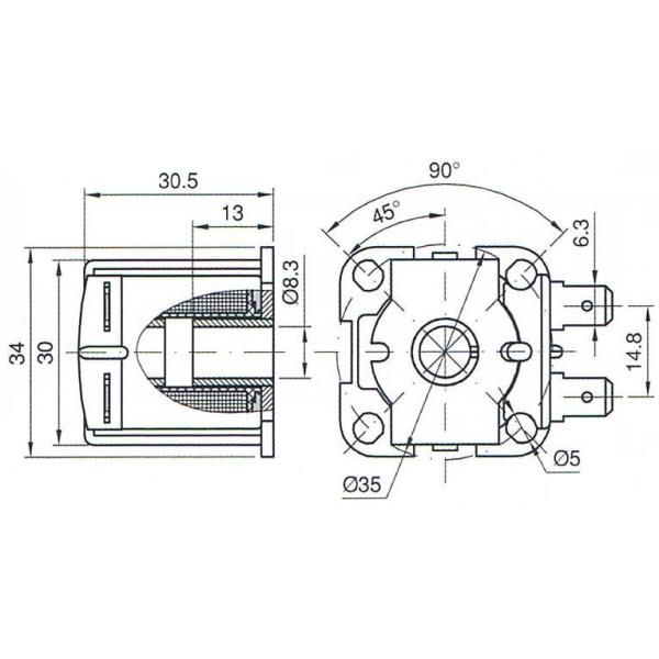
Технический параметр катушек клапана solneoid воды RO 8mm:
| Номер модели | BB08330538 |
| Нормальное напряжение тока | DC12V/DC24V/AC110V/AC220V; или подгонянный |
| Нормальная сила | 5W |
| Класс изоляции | F |
| Применение | Клапан соленоида воды RO |
| Вес | 76,5 g |
| Размер отверстия | 8 mm |
| Высота | 30,5 mm |
Основной размер катушек аксессуаров клапана соленоида очистителя воды:

Материал AC110V/220V чистый латунный обеспечивает что катушка не было ожогом вне:

Применение катушки клапана воды в клапанах соленоида RO пластиковых:


Аксессуары и спецификации клапана соленоида воды RO:
1. Материал тела клапана (также вызвал место клапана): вообще разделенный в тела клапана все-пластмассы (то есть, все тела клапана сформированные пластиковый бывший формировать как материал PP, PA, etc., такие клапаны вообще использованы для вида бытового прибора который относительно низок в жидкой температуре и относительно низок в давлении жидкости), следовать (медью или нержавеющей сталью) металла и пластиковое совмещенное тело клапана (вообще средняя часть пластиковая, 2 конца сделана из металла, (с винтами) соединяет их совместно. Этот вид клапана вообще использован для бытовых приборов подключенных с высокой температурой и высокой жарой, как электрические нагреватели воды, солнечные нагреватели воды, etc.); другое полное тело клапана металла (вообще медный материал), которое использовано в много видов клапанов. В приборах с температурами над 100 градусами и давлениями прилива, как небольшие дренажные клапаны боилера, недостаток этого клапана что он слишком дорог, и редко используемые вообще бытовые приборы.
2. Вещество активной зоны: (внутреннее ядро здесь вообще ссылается на резину используемую для того чтобы загерметизировать воду или затыкая отверстия) одно резиново как бутадиеновый каучук стиропласта, бутадиеновый каучук, резина изопрена, etc.; другое гель кремнезема (некоторые бытовые приборы должны использовать ядр силикона для того чтобы достигнуть санитарного уровня, как распределитель воды, машина кофе, машина soymilk, etc.) сильно активный адсорбентный материал, который аморфическое вещество, и своя химическая валовая формула mSiO2·nH2O. Неразрешимый в воде и всех растворяющем, нетоксических и безвкусных, химически стабилизированных, с высокой механической прочностью, etc., не реагирует с любым веществом за исключением сильных алкалиа и плавиковой кислоты.
3. Материал запечатывания катушки соленоида: (то есть, после покрытого эмалью провода обветрен, его необходимо закрыть с пластмассой только 2 подвергли действию терминала, который) здесь вообще 2 вида наружного пламени герметизируя материалов (термопластикового) - retardant полипропилен или пламя - retardant PP другое (термореактивное пластиковое) литьевая масса большей части DMC, характеристики продукта:
(1) превосходная электрическая изоляция, сопротивление дуги и сопротивление отслеживать.
(2) превосходные механические прочность, retardancy пламени и сопротивление жары.
(3) превосходный отливая в форму процесс, низкое отливая в форму давление и короткое отливая в форму время.
(4) его можно только отлить в форму в одном времени. Оно имеет необратимое представление после лечить на отливая в форму температуре. Эта (термореактивная) литьевая масса большей части DMC несравнима для того чтобы пылать - retardant PP. Это очень важно. Если клапан соленоида входа воды имеет высокое представление безопасности и длинный срок службы, то электромагнитная катушка загерметизированная с этой (термореактивной) литьевой массой большей части DMC будет лучшая.
Добро пожаловать к вашему дознанию!