Катушка клапана соленоида 4V310-08 пути управления воздушным движением 5/2 пневматическая одиночная
4V310-08 соленоид Vlave имеет 1/4 портов входа, выхода и вытыхания ″. Клапан соленоида 5 положений портов четырехпроводной 2 (5/2 путей), нормально закрываемый с возвращением весны. Brando конструирует и изготовляет разнообразие клапаны управления воздушным движением промышленн-степени пневматические. Эти клапаны двух позиционного воздуха 5-пути пилотные соответствующие для широкого диапазона применений. Они доступны в одиночном пилоте и двойных пилотных конфигурациях. Общецелевой пневматический клапан, обыкновенно используемый в любой пневматической системе, где обжатый воздух также использован как сигнал управления. Пневматические клапаны использованы для того чтобы привести другое оборудование в действие, обычно цилиндры.
Технические данные клапана соленоида серии 4V300:
| Модель | 4V310-08 | 4V320-08 | 4V330C-08 4V330E-08 4V330P-08 | 4V310-10 | 4V320-10 | 4V330C-10 4V330E-10 4V330P-10 |
| Жидкость | Воздух (быть фильтрованным патроном фильтра 40 μm) | |||||
| Действовать | внутренний пилотный или внешний пилот | |||||
| Гаван размер | in=out=exhaust=1/4» | in=out=3/8», exhaust=1/4» | ||||
| Размер отверстия | 4V310-10, 4V320-10: ² 28.0mm (Cv=1.65) 4V330C-10: ² 21.3mm (Cv=1.25) | |||||
| Тип Vlave | 5 положение пути 2 | 5 положение пути 3 | 5 положение пути 2 | 5 положение пути 3 | ||
| Рабочее давение | 0,15 до 0,8 MPa (21 до 114 psi) | |||||
| Давление доказательства | 1.2MPa (175psi) | |||||
| Температура | -20 к +70℃ | |||||
| Материал тела | Алюминиевый сплав | |||||
| Максимальная частота | 5 цикл/sec | 3 цикл/sec | 5 цикл/sec | 3 цикл/sec | ||
| Напряжения тока | 12VDC, 24VDC, 24VAC, 110VAC, 220VAC | |||||
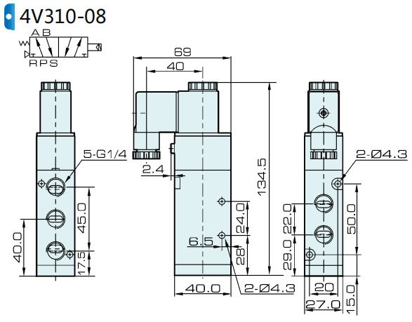
Основной размер клапана соленоида 4V310-08:

Видео клапана соленоида 4V310-08:
Видео продукции пневматического клапана:
Более пневматические продукты для вас, который нужно выбрать:
| Пневматический клапан соленоида | Клапан пилота воздуха пневматический | Пушпульный клапан воздуха | Клапан воздуха ручного нивелира |
| Пневматический клапан педали еды | Пневматический штуцер шланга | Смазчик регулятора фильтра | Пневматический цилиндр |
Фокус на ваших требованиях, предложение вы самое лучшее решение:
√ свяжется мы если некоторые пункты вы имеют сомнение
√ свяжется мы если где-то нужно изменить
√ свяжется мы если не одно, то вы ищете
√ свяжется мы если вы делаете конструировать
Добро пожаловать к вашим любым вопросу и дознанию!