Ультразвуковой датчик измерителя прокачки с низкой ценой 1MHz для измерителя прокачки
Спецификации:
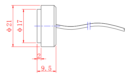
| Модель | HJ-2112/1M |
| Частота (КГц) | 1MHz±5% |
| Ширина полосы частот | 200kHz |
| Общая чувствительность 0 dB=3 Vp-p; CW; Расстояние: 7cm | минута -30dB |
| Ширина луча (- полный угол 3dB) | 6±2° |
| Статическая емкость | 1200PF±20% |
| Минимальное параллельное сопротивление | 250Ω±30% |
| Максимальное управляя напряжение тока (взрыв тона круга обязаностей 2%) | <300V |
| Рабочая температура | -20~70℃ |
| Защита/водоустойчивый уровень | IP68 |
| Максимальное управляя давление | 1.6MPa |
| Расквартировывать материал | PPS |
| Длина провода | 65cm |



Вся спецификация принятая типичное на 25℃