Рельсы ASCE главным образом конструированы для пользы в светлых надземных кранах, следах минирования, системах поиска информации автоматизированного склада, и больше.
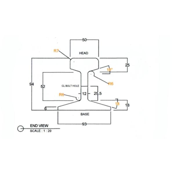
Размеры
| Стандарт | ASTM | |||
| Модель | Размер | |||
| Главная ширина (mm) | Высота (mm) | Нижняя ширина (mm) | Толщина сети (mm) | |
| Рельс 45LBS | 50 | 94 | 93 | 12 |
Чертежи
