Легкорельсовый транспорт 22 кг/м в основном используется в шахтах для перевозки различных руд.Обычно у нас много на складе, материал Q235 и 55Q.Длина 6м, 8м и 10м.
Технические характеристики:
| тип | вес (кг/м) | материал | длина (м) | 
| 22 кг | 22.30 | Q235/55Q | 6-10м | 
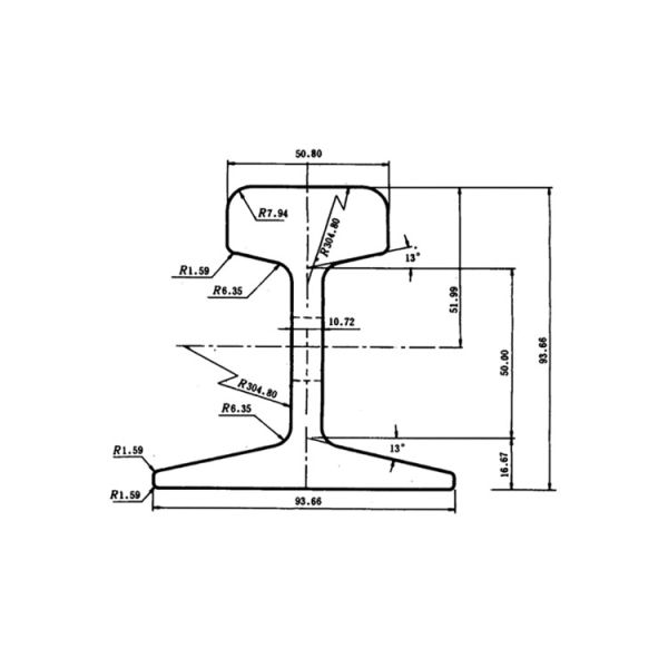
| высота рельса (мм) | ширина дна (мм) | ширина головки (мм) | веб-мысль (мм) | 
| 93,66 | 93,66 | 50,8 | 10,72 | 
Рисунок:
