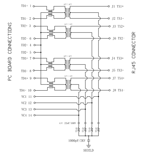
1. Разъем RJ45 со встроенной магнитной системой 1000 Base-T для приложений POE+.
2. LPJG0926HENL является альтернативой A70-112-331N126, предлагая идентичные характеристики производительности и настраиваемые опции.
3. Компактный дизайн: Компактный форм-фактор для эффективного использования в сетевом оборудовании высокой плотности.
4. Снижение излучения EMI: LPJG0926HENL имеет механизмы экранирования для минимизации электромагнитных помех (EMI).
5. Монтаж DIP типа: Обеспечивает надежное соединение на печатных платах, повышая стабильность и удобство сборки.
6. Экранированный корпус: Обеспечивает дополнительную защиту от внешних помех и EMI.
7. Варианты светодиодов: Обеспечивают визуальную обратную связь о состоянии соединения.
|
AutoMDIX |
Поддержка |
|
Серия разъемов |
Магнитный разъем RJ45 |
|
Скорость |
10/100/1000 Base-T |
|
Тип монтажа |
Сквозное отверстие (TH) |
|
Ориентация |
90° угол (правый) |
|
Применение - Lan |
Ethernet POE/ PoE+, 18W-30W |
|
Высота над платой |
0,526" (13,36 мм) |
|
Цвет светодиода |
Зеленый - Желтый |
|
Количество жил на разъем |
8 |
|
Экранирование |
Экранированный, без EMI пальца |
|
Особенности |
Направляющая для платы |
|
Направление язычка |
Вниз |
|
Материал контакта |
Фосфористая бронза C5210R-EH |
|
Покрытие контактов |
Золото 6 |
|
Рабочая температура |
0°C ~ 70°C |
|
Толщина покрытия контактов |
6,00µin (0,152µm) |
|
Материал экрана |
SUS201 |
|
Материал корпуса |
UL90V-0 Термопластик |
|
Количество портов |
1 |
|
Количество рядов |
1 |

● Сети: маршрутизаторы, серверы, коммутаторы, сетевые брандмауэры и SMPS (импульсные источники питания).
● Бытовая электроника:цифровые камеры, видеомагнитофоны, медиаплееры, игровые контроллеры и телевизоры.
● Системы безопасности: сигнализации, интеллектуальные камеры, системы мониторинга, домофоны и системы охраны входов.
● Телекоммуникации: устройства умного дома, умные счетчики, спутниковое оборудование, новые энергетические системы и солнечные инверторы.
● Медицинские устройства:хирургическое оборудование, устройства для ухода за пациентами, портативные медицинские инструменты, генераторы для операций, аппараты для домашнего диализа и многое другое.
● Промышленные входы/выходы (I/O): промышленные ПК, встроенные материнские платы, системы управления Ethernet, оборудование автоматизации, системы полевой шины и контроллеры ввода/вывода.
1. LINK-PP предлагает услуги OEM и ODM
2. Различные варианты типа монтажа: включая DIP, сквозное отверстие (TH) и устройство поверхностного монтажа (SMD).
3. Вариант золотого покрытия для области контакта
4. Различные компоновки и скорости: включая 10/100/1G/2.5G/5G/10G Base-T.
5. Стандартный и расширенный диапазон рабочих температур