| Категория продукта: | Соединители ПОЭ магнитные/соединители локальных сетей | 
| Изготовитель: | Объекты ЛИНК-ПП Китая Хуйжоу | 
| РоХС: | 2011/65/ЭУ | 
| Сертификат достигаемости | Да | 
| Аттестация УЛ | Регистрационный номер Э484635 | 
| Продукт: | Модульные джакс | 
| Ключ | Соединитель ПОЭ РДЖ45 с СИД | 
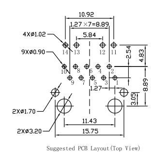
| Количество положений: | Положение 10 | 
| Количество портов: | 1 порт | 
| Категория представления: | Стандартный | 
| Устанавливать стиль: | Панель | 
| Стиль прекращения: | Через отверстие | 
| Защищать: | Защищенный | 
| Оценка напряжения тока: | 1500 в | 
| Цвет: | Серебр | 
| Серия: | ПОЭ для 10/100Мбпс И/О ИЭЭЭ802.3аф | 
| Упаковка: | Поднос (60 частей) | 
| Бренд: | ЛИНК-ПП | 
| Материал контакта: | Бронза светомассы | 
| Контактное покрытие: | Золото | 
| Род: | Женский | 
| Материал снабжения жилищем: | Полиэстер | 
| Угол установки: | Прямоугольный | 
| Количество строк: | 1 строка | 
| Тангаж: | 2,54 мм | 
| Количество пакета фабрики: | 60 МПК | 
| Тип: | Модульные джакс с СИД | 
| Механический аналог | ЛПДЖ1153АХНЛ | 
| Индикаторы | Зеленое СИД желтого цвета | 
| Переконструированное гибкое | Да | 
| 
 | 
 | 
|  |  |