
|
LPJG4926GENL однопортный RJ45 соединитель 1000 Base-T Ethernet с функцией PoE+ |
|
|
Номер части LINK-PP |
LPJG4926GENL |
|
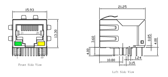
Высота соединителя RJ45 |
13.30 мм |
|
Длина разъема RJ45 |
21.25 мм |
|
Ширина разъема RJ45 |
15.93 мм |
|
Жилой материал |
Термопластичные PBT+30%G.F UL94V-0 |
|
Контактный материал |
Фосфорная бронза 5210R-EH, толщина = 0,35 мм |
|
Материал штифтов |
Медь C2680R-H, толщина = 0,35 мм |
|
Материал щита |
SUS 201-1/2H, толщина = 0,2 мм |
|
Контактная пластика |
Золото 6 микродюймов минимум. В зоне контакта. |
|
Электрические характеристики @25°C |
|
|
Коэффициент поворота ((± 5%) |
При: Sec = 1CT:1CT |
| Индуктивность 0CL | 350UH MIN @100KHz/0.1V, 8mA постоянный диапазон 120uH MIN @100KHz/0.1V, 18mA постоянный диапазон |
| Потеря вставки | -1,0 дБ MAX @1-100 МГц -1,2 дБ MAX @100-125 МГц |
| Возвратные потери | -16 дБ MIN @ 1-40 МГц -12 дБ MIN @40-60 МГц -10 дБ MIN @60-80 МГц -8 дБ MIN @80-100 МГц |
| Переговоры. | -30 дБ MIN @1-100 МГц |
| Общий отказ от общего режима | -30 дБ MIN @1-100 МГц |
| Прямой ток/напряжение pse Pins | 600mA MAX @54VDC ((Непрерывный) |
| Испытание гипота | 1500Vrms MIN |
| Операционная температура | -40°C до +85°C |
|
|
|
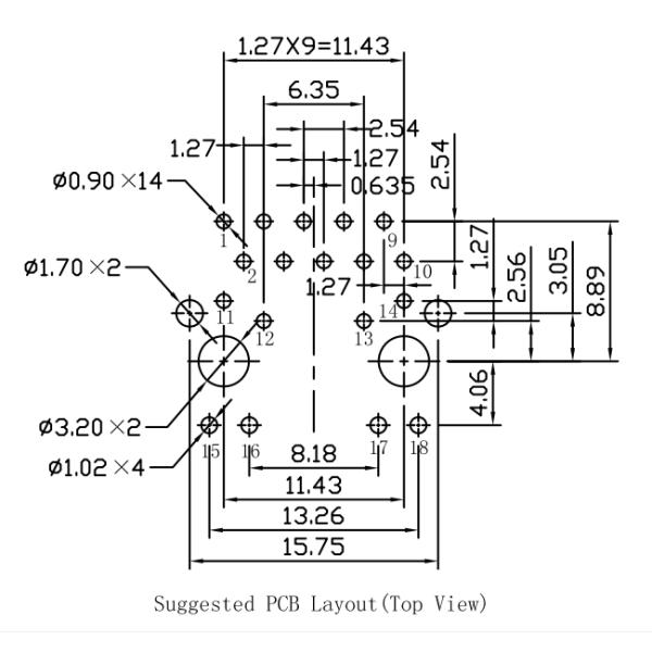
| Дизайн ПКБ | |
![]() |
|

