| Одиночный соединитель порта РДЖ45 с 10/100 основаниями-Т интегрировал Маньетикс, СИД желтого цвета/зеленого цвета, плату вниз, РоХС | |
| Номер детали ЛИНК-ПП | ЛПДЖ0009ГДНЛ |
| Другой номер детали | 11А053-5722-00 |
| Применение-Лан | ЛОКАЛЬНЫЕ СЕТИ (не ПоЭ) |
| АутомДС | ДА |
| Цепь Бст | ДА |
| Конфигурация РС | Т, К |
| Конфигурация ТС | Т, К |
| Плакировка зоны контакта сопрягая | »»/15у/30у» ЗОЛОТА 6у |
| Ядри в порт | 4 |
| Диоды | ОТСУТСТВИЕ ДИОДОВ |
| Вариант СИД | ИЭЛЛОВ/ГРЭЭН |
| Защелка | ПЛАТА ВНИЗ |
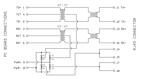
| Количество портов | 1С1 |
| ПКБ | ФР4 |
| Угол держателя ПКБ | БОРТОВОЙ ВХОД |
| ПКБ сохраняя столб | СТОЛБ Т |
| Высота пакета (дюймы) | 0,528 |
| Высота пакета (мм) | 13,40 |
| Длина пакета (дюймы) | 0,839 |
| Длина пакета (мм) | 21,30 |
| Ширина пакета (дюймы) | 0,626 |
| Ширина пакета (мм) | 15,90 |
| Тип Пин | ПРИПОЙ ТХТ |
| РоХС уступчивое | ИЭС-РоХС-5 С РУКОВОДСТВОМ В ОСВОБОЖДЕНИИ ПРИПОЯ |
| Поиск | ДА |
| Платы ЭМИ экрана | БЕЗ |
| Скорость | 10/100 БАСЭ-Т |
| Температура | 0 К 70℃ |
| Коэффициент РС поворотов | 1КТ: 1КТ |
| Коэффициент ТС поворотов | 1КТ: 1КТ |
ЭЛЕКТРИЧЕСКОЕ СПЭКФИКАТИОНС @25℃
коэффициент 1.Турн: 1КТ: 1КТ
2.ОКЛ (100КХз, 0.1Врмс, 8мА): минута 350уХ
потеря 3.Инсертион:
0.1-100МХз: -1.1дБ Макс
потеря 4.Ретурн:
0.5-30МХз: Минута -18дБ
40МХз: Минута -15.5дБ
50МХз: Минута -13.6дБ
60-80МХз: Минута -12дБ
беседа 5.Кросс:
0.1-100МХз: Тип -40дБ
сброс режима 6.Коммон:
0.1-30МХз: Тип -50дБ
30-60МХз: Тип -40дБ
60-100МХз: Тип -35дБ
7.Исолатион: 1500Врмс
температура 8.Оператинг: 0℃ К 70℃.

Общие требования
1 квалификация:
Соединители поставленные под этой спецификацией будут способны на встречать квалификационный тест
требования определенные здесь.
Материал 2:
2,1 пластиковые снабжения жилищем: УЛ94В-0
2,2 контакты: Медный сплав
2,3 экран: Медный сплав
Финиш 3:
3,1 контакты: Выборочно покрытое золото
3,2 контакты: Никель покрытый повсюду
3,3 чертеж клиента ссылки для кабелей припоя контакта
3,4 экран: Олово или никель покрытые повсюду
Дизайн 4 и конструкция:
Соединители будут дизайна, конструкции и физических измерений как определено на
применимый чертеж продукта и ТИА 1096. В случае конфликта между этой спецификацией и
чертежи продукта, чертежи примут предшествование. покрытое золото 50 минч (1,27 мм)
соединители уступчивые с спецификациями ТИА 1096.
Рассмотрение 5 продукта:
Соединители встретят все определенные размеры чертежей продукта и внутреннего воркманьшип
стандарты. Будет никакое доказательство трескать, откалывать, загрязнения или свободных частей когда
проверенный, без увеличения, к лишенному помощи глазу.
6 оценок:
6,1 течение: 1,5 ампера максимальный на 25°К
6,2 напряжение тока: Максимум 150 ВПТ
7 минимальных количеств сопрягать/Унматинг деятельности:
7,1 уровень производительности 1: 750 циклов
7,2 уровень производительности 2: 2500 циклов
8 минимальных количеств Ре-прекращений кабеля:
8,1 см. чертежи применения
Главный клиент
Конструируйте для ти, Интел, Самсунг, двуустки, Джабил, Флекстроникс, Сипресс, Фрескале, ЭКФ .......

Применения для терминального потребителя
Использованный для коммуникационных оборудований сети и как ЭПИЦЕНТР ДЕЯТЕЛЬНОСТИ, РС карта, переключатель, маршрутизатор, ПК Майнбоард, СДХ, ПДХ, телефон ИП, модем ксДСЛ, решения центра телефонного обслуживания, коробки сложного комплекса верхние, установка ворот ВОИП, протокол граничного шлюза, быстрые локальные сети переключает…
Конкурентное преимущество
18 лет опыт продукции,
штат 2600,
тест 100%
Гибкий срок поставки
Применение ЭМС
Встроенное гибкое собрание ПКБ; Тверд-гибкое собрание ПКБ; Микроэлектронный, обломок сальто; Микроэлектронный, обломок на борту; Электронно-оптическое собрание; РФ/беспроводное собрание; Через собрание отверстия; Поверхностное собрание держателя; Собрание системы; Собрание платы с печатным монтажом