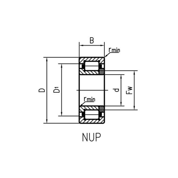
Подшипник ролика одиночной строки цилиндрический с кольцом NUP303E клетки съемным внутренним
Подшипник ролика одиночной строки цилиндрический с деталями серии кольца NUP клетки съемными внутренними:
| Носить код | Размеры | Масса | Оценки основной нагрузки | Ограничиваясь скорость | ||||||
| d | D | B | rsmin | D1 | Fw, Ew | динамика | статический | |||
| Cr | Cor | |||||||||
| mm | kg | KN | rpm | |||||||
| NUP303E | 17 | 47 | 14 | 1 | 37 | 24,2 | 0,127 | 25,5 | 21,2 | 16000 |
| NUP304E | 20 | 52 | 15 | 1,1 | 42,4 | 27,5 | 0,16 | 31,5 | 27 | 14000 |
| NUP305E | 25 | 62 | 17 | 1,1 | 50,7 | 34 | 0,256 | 41,5 | 37,5 | 12000 |
| NUP306E | 30 | 72 | 19 | 1,1 | 58,9 | 40,5 | 0,385 | 51 | 48 | 10000 |
| NUP307E | 35 | 80 | 21 | 1,5 | 66,3 | 46,2 | 0,506 | 64 | 63 | 9000 |
| NUP308E | 40 | 90 | 23 | 1,5 | 75,6 | 52 | 0,688 | 81,5 | 78 | 7500 |
| NUP309E | 45 | 100 | 25 | 1,5 | 83,5 | 58,5 | 0,934 | 98 | 100 | 6700 |
| NUP310E | 50 | 110 | 27 | 2 | 91,2 | 65 | 1,21 | 110 | 114 | 6300 |
| NUP311E | 55 | 120 | 29 | 2 | 101 | 70,5 | 1,54 | 134 | 140 | 5600 |
| NUP312E | 60 | 130 | 31 | 2,1 | 110 | 77 | 1,93 | 150 | 156 | 5000 |
| NUP313E | 65 | 140 | 33 | 2,1 | 119 | 82,5 | 2,37 | 180 | 190 | 4800 |
| NUP314E | 70 | 150 | 35 | 2,1 | 127 | 89 | 2,89 | 204 | 220 | 4500 |
| NUP315E | 75 | 160 | 37 | 2,1 | 136 | 95 | 240 | 265 | 4000 | |
| NUP316E | 80 | 170 | 39 | 2,1 | 144 | 101 | 4,11 | 255 | 275 | 3800 |
| NUP317E | 85 | 180 | 41 | 3 | 153 | 108 | 4,8 | 270 | 300 | 3600 |
| NUP318E | 90 | 190 | 43 | 3 | 162 | 113,5 | 5,59 | 315 | 345 | 3400 |
| NUP319E | 95 | 200 | 45 | 3 | 170 | 121,5 | 6,55 | 335 | 380 | 3400 |
| NUP320E | 100 | 215 | 47 | 3 | 182 | 127,5 | 7,96 | 380 | 425 | 5000 |
| NUP322E | 110 | 240 | 50 | 3 | 201 | 143 | 10,7 | 440 | 510 | 4800 |
| NUP324E | 120 | 260 | 55 | 3 | 219 | 154 | 13,8 | 520 | 600 | 2800 |
| NUP326E | 130 | 280 | 58 | 4 | 236 | 167 | 17 | 610 | 720 | 2600 |
| NUP328E | 140 | 300 | 62 | 4 | 252 | 180 | 20,8 | 670 | 800 | 2400 |




