Подшипник ролика NNF двойного полного дополнения строки цилиндрический 5024 ADA-2LSV
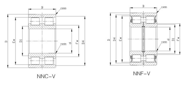
Подшипники ролика двойного полного дополнения строки цилиндрические включают максимальное число роликов и поэтому соответствующие для очень тяжелых радиальных нагрузок в комбинации с умеренными скоростями. Иметь 3 фланца на двухкусочном внутреннем кольце и одном центральном фланце на наружном кольце, подшипниках дизайна NNF может обнаружить местонахождение вал осев в обоих направлениях. 2 паза пружинного кольца в наружном кольце упростить устанавливать и сохранить космос осев.
Особенности:
Применения:
Детали конструктивного требования подшипника ролика NNF двойного полного дополнения строки цилиндрические:
| Носить код | Размеры | Масса | Оценка основной нагрузки | Ограничиваться | |||||||||
| скорость | |||||||||||||
| d | D | B | C | rsmin | d1 | D1 | C1 | E | Cr | Cor | |||
| mm | kg | KN | rpm | ||||||||||
| NNF 5024 ADA-2LSV | 120 | 180 | 80 | 79 | 0,6 | 141 | 176 | 71,2 | 164 | 6,9 | 400 | 750 | 480 |
| NNC4924V | 120 | 165 | 45 | — | 1,1 | 139 | — | — | 153,55 | 2,95 | 242 | 480 | 1700 |
| NNF 5026 ADA-2LSV | 130 | 200 | 95 | 94 | 0,6 | 155 | 196 | 83,2 | 183,5 | 10,5 | 710 | 1220 | 450 |
| NNC4926V | 130 | 180 | 50 | — | 1,5 | 149 | — | — | 165,4 | 3,95 | 255 | 530 | 1600 |
| NNF 5028 ADA-2LSV | 140 | 210 | 95 | 94 | 0,6 | 167 | 206 | 83,2 | 195,5 | 11 | 600 | 1120 | 400 |
| NNC4928V | 140 | 190 | 50 | — | 1,5 | 160 | — | — | 175,9 | 4,2 | 265 | 570 | 1400 |
| NNF 5030 ADA-2LSV | 150 | 225 | 100 | 99 | 0,6 | 177 | 221 | 87,2 | 209 | 13,5 | 695 | 1290 | 380 |
| NNC4930V | 150 | 210 | 60 | — | 2 | 171 | — | — | 192,77 | 6,65 | 380 | 850 | 1300 |
| NNF 5032 ADA-2LSV | 160 | 240 | 109 | 108 | 0,6 | 191 | 236 | 95,2 | 222,55 | 16,5 | 720 | 1400 | 360 |
| NNC4932V | 160 | 220 | 60 | — | 2 | 184 | — | — | 206,16 | 7 | 446 | 915 | 1300 |
| NNF 5034 ADA-2LSV | 170 | 260 | 122 | 121 | 0,6 | 203 | 254 | 107,2 | 239 | 22,5 | 720 | 1400 | 360 |
| NNC4934V | 170 | 230 | 60 | — | 2 | 193 | — | — | 215,08 | 7,35 | 457 | 950 | 1200 |
| NNF 5036 ADA-2LSV | 180 | 280 | 136 | 135 | 0,6 | 220 | 274 | 118,2 | 259 | 30 | 1340 | 2500 | 300 |
| NNC4936V | 180 | 250 | 69 | — | 2 | 205 | — | — | 230,5 | 10,8 | 594 | 1220 | 1100 |
| NNF 5038 ADA-2LSV | 190 | 290 | 136 | 135 | 0,6 | 228 | 284 | 118,2 | 267,25 | 31,5 | 1370 | 2600 | 300 |
| NNC4938V | 190 | 260 | 69 | — | 2 | 215 | — | — | 240,7 | 11,2 | 605 | 1290 | 1100 |
| NNF 5040 ADA-2LSV | 200 | 310 | 150 | 149 | 0,6 | 245 | 304 | 128,2 | 284 | 42 | 1560 | 3050 | 280 |
| NNC4940V | 200 | 280 | 80 | — | 2,1 | 230 | — | — | 259,34 | 15,8 | 704 | 1500 | 1000 |
| NNF 5044 ADA-2LSV | 220 | 340 | 160 | 159 | 1 | 264 | 334 | 138,2 | 308,5 | 53,5 | 1610 | 3100 | 360 |
| NNC4944V | 220 | 300 | 80 | — | 2,1 | 248 | — | — | 276,52 | 17,2 | 737 | 1600 | 950 |
| NNF 5048 ADA-2LSV | 240 | 360 | 160 | 159 | 1 | 283 | 354 | 138,2 | 327,5 | 57,5 | 1680 | 3350 | 340 |
| NNC4948V | 240 | 320 | 80 | — | 2,1 | 270 | — | — | 299,46 | 18,5 | 781 | 1760 | 850 |





