Пластиковые снабжения жилищем с нержавеющей сталью нося вставки SS UCECHPL202
Блоки подушки нога установили блоки которые использованы для того чтобы обеспечить поддержку вала когда устанавливая поверхность параллельна к оси вала. Устанавливая отверстия прорезаны для легкости регулировки установки. Пластиковые блоки подушки сделаны из стекла промышленной марки заполнили полиэстер PBT и совершенно заменимы с обычными блоками литого железа. Эти безуходные блоки имеют превосходные механические прочность, жесткость и сохранность формы, и никогда ржавеют или вытравливают. Блоки подушки полимера в настоящее время используются в много индустрий включая пищевую промышленность, разливающ по бутылкам и машина упаковки, химикат обрабатывая, и бассейн и морской применение. Блоки подушки MOUETTE можно купить с разнообразие подшипниками вставки к самому лучшему костюму ваше специфическое применение.
Отсутствие плакировка или покрытие, который нужно отколоть или слезть
Покрытые или покрытые снабжения жилищем литого железа могут поцарапать, отколоть и слезть. На самом деле, очень поступок установки их причиняет финиш извлечься вокруг краев отверстий для болтов начиная процесс корозии. Снабжения жилищем MOUETTE полимер твердого основания наполненный стекл PBT который не требует никаких покрытий для защиты от коррозии.
Конструированный для чистоты
Поверхность полимера гораздо более гигиеническая чем литое железо. Грубая поверхность литого железа может затаить грязь, прессформу и бактерии objectional. Дополнительно, устанавливая поверхность, или дно блока, подвергаются механической обработке для плоскостности так, что грязь и вода не приведут к образованию прессформы или бактерий.
Смогите побежать сухой, влажное или полно Submersed
Блок и блоки азимута уникальны в этом они могут побежать полно погруженный в воду без смазки. Они могут отрегулировать до 120°f погруженный в воду в жидкостях и даже более высоких температурах когда они бегут сухой.
Материалы доступные:
· 304 нержавеющих гонки шарикоподшипников вставки 304 нержавеющих, и шарика.
· 420 нержавеющего гонок шарикоподшипника вставки 420 нержавеющих, и шариков.
· 440 нержавеющего гонок шарикоподшипника вставки 440 нержавеющих, и шариков
Эти не требующие ухода пластиковые блоки подушки имеют превосходные механические прочность, жесткость, и сохранность формы и никогда ржавеют или вытравливают. Введенный с нержавеющим шарикоподшипником вставки, они обеспечивают главную коррозионную устойчивость сравненную к любому установленному блоку предложили сегодня.
Главные программы:
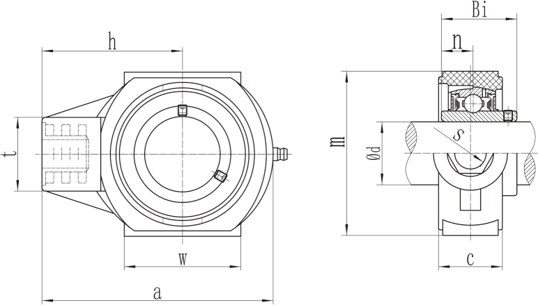
Пластиковые снабжения жилищем с нержавеющей сталью нося спецификации SS UCECHPL2 вставок:
|
Номер детали блока азимута. |
Dia скважины | Размер (mm) |
Снабжение жилищем Вес (kg) |
Размер болта |
||||||||
| d | a | c |
h |
m |
t |
w |
Bi |
n | ||||
| в | mm | |||||||||||
| SS-UCECHPL201 |
1/ 2 |
12 | 101 | 27,5 | 64 | 65 | 35 | 47 | 31 | 12,7 | 0,15 | M16 |
| SS-UCECHPL202 |
9/16 5/8 |
15 | 101 | 27,5 | 64 | 65 | 35 | 47 | 31 | 12,7 | 0,15 | M16 |
| SS-UCECHPL203 |
11/16 |
17 | 101 | 27,5 | 64 | 65 | 35 | 47 | 31 | 12,7 | 0,15 | M16 |
| SS-UCECHPL204 | 3/ 4 | 20 | 101 | 27,5 | 64 | 65 | 35 | 47 | 31 | 12,7 | 0,15 | M16 |
| SS-UCECHPL205 | 13/16 7/8 15/16 1 | 25 | 101 | 27,5 | 64 | 74 | 35 | 47 | 34,1 | 14,3 | 0,16 | M16 |
| SS-UCECHPL206 | 1-1/16 1-1/8 1-3/16 1-1/4 | 30 | 125 | 34,5 | 76 | 90 | 40 | 63 | 38,1 | 15,9 | 0,21 | M16 |
| SS-UCECHPL207 | 1-1/4 1-5/16 1-3/8 1-7/16 | 35 | 125 | 34,5 | 76 | 90 | 40 | 63 | 42,9 | 17,5 | 0,25 | M16 |
| SS-UCECHPL208 | 1-1/2 1-9/16 | 40 | 140 | 38,5 | 85 | 100 | 39,5 | 80 | 49,2 | 19 | 0,36 | M16 |
| SS-UCECHPL209 | 1-5/8 1-11/16 1-3/4 | 45 | 149 | 40 | 90 | 110 | 50 | 85 | 49,2 | 19 | 0,45 | M20 |
| SS-UCECHPL210 | 1-13/16 1-7/8 1-15/16 2 | 50 | 149 | 40 | 90 | 110 | 50 | 85 | 51,6 | 19 | 0,49 | M20 |
|
Режим нагрузки |
Оценки нагрузки (n) |
||||||
| Тип | 204 | 205 | 206 | 207 | 208 | 209 | 210 |
|
|
14800 |
15500 |
15800 |
16500 |
17300 |
18210 |
18860 |
|
|
3930 |
4530 |
5100 |
6500 |
7800 |
8710 |
9750 |
|
|
8500 |
10350 |
10900 |
11300 |
12150 |
12900 |
13550 |
|
|
40770 |
45300 |
46100 |
44100 |
42800 |
44230 |
44880 |




