Пластиковые снабжения жилищем с носить вставки сделанные из нержавеющей стали SSUCTPL204
Радиальные жилищные единицы шарикоподшипника вставки серии серии SS-UCTPL2 состоят из жилищной единицы сделанной из пластикового T2 и уже установленной вставки SS-UC2 подшипника нержавеющей стали. Дизайн по мере того как радиальное гнездо под подшипник позволяет смещению снабжения жилищем. Снабжение жилищем сделано из пластмассы. Нося вставка имеет выдвинутое внутреннее кольцо с винтами с прорезом для устанавливать внутреннее кольцо на вале. Статические рассогласования можно компенсировать до угла 2°.
Материалы доступные:
· 420 нержавеющего гонок шарикоподшипника вставки 420 нержавеющих, и шариков.
· 440 нержавеющего гонок шарикоподшипника вставки 440 нержавеющих, и шариков
Эти не требующие ухода пластиковые блоки подушки имеют превосходные механические прочность, жесткость, и сохранность формы и никогда ржавеют или вытравливают. Введенный с нержавеющим шарикоподшипником вставки, они обеспечивают главную коррозионную устойчивость сравненную к любому установленному блоку предложили сегодня.
Главные программы:
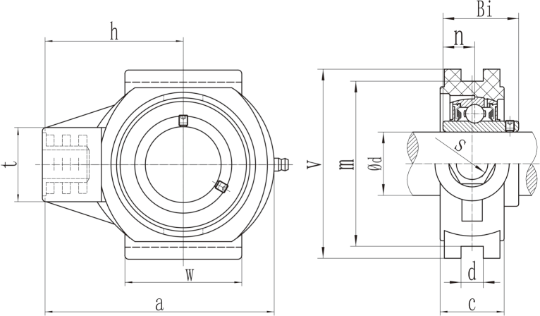
Пластиковые снабжения жилищем с носить вставки сделанные спецификаций серии нержавеющей стали SSUCTPL2:
|
Номер детали блока азимута. |
Dia скважины | Размер (mm) |
Снабжение жилищем
Вес (kg) |
Размер болта |
||||||||||
| d | a | c |
d |
h |
m |
t |
v | w |
Bi |
n | ||||
| в | mm | |||||||||||||
| SS-UCTPL201 |
1/ 2 |
12 | 101,5 | 27,5 | 12 | 64 | 76 | 35 | 88 | 47 | 31 | 12,7 | 0,16 | M16 |
| SS-UCTPL202 |
9/16 5/8 |
15 | 101,5 | 27,5 | 12 | 64 | 76 | 35 | 88 | 47 | 31 | 12,7 | 0,16 | M16 |
| SS-UCTPL203 |
11/16 |
17 | 101,5 | 27,5 | 12 | 64 | 76 | 35 | 88 | 47 | 31 | 12,7 | 0,16 | M16 |
| SS-UCTPL204 | 3/ 4 | 20 | 101,5 | 27,5 | 12 | 64 | 76 | 35 | 88 | 47 | 31 | 12,7 | 0,16 | M16 |
| SS-UCTPL205 | 13/16 7/8 15/16 1 | 25 | 101,5 | 27,5 | 12 | 64 | 76 | 35 | 88 | 47 | 34,1 | 14,3 | 0,17 | M16 |
| SS-UCTPL206 | 1-1/16 1-1/8 1-3/16 1-1/4 | 30 | 125,5 | 34,5 | 12 | 76 | 89 | 40 | 102 | 63 | 38,1 | 15,9 | 0,22 | M16 |
| SS-UCTPL207 | 1-1/4 1-5/16 1-3/8 1-7/16 | 35 | 125 | 34,5 | 12 | 76 | 89 | 40 | 102 | 63 | 42,9 | 17,5 | 0,26 | M16 |
| SS-UCTPL208 | 1-1/2 1-9/16 | 40 | 140 | 38,5 | 16 | 85 | 102 | 39,5 | 114 | 80 | 49,2 | 19 | 0,38 | M16 |
| SS-UCTPL209 | 1-5/8 1-11/16 1-3/4 | 45 | 149 | 40 | 16 | 90 | 102 | 50 | 117 | 85 | 49,2 | 19 | 0,48 | M20 |
| SS-UCTPL210 | 1-13/16 1-7/8 1-15/16 2 | 50 | 149 | 40 | 16 | 90 | 102 | 50 | 117 | 85 | 51,6 | 19 | 0,52 | M20 |
|
Режим нагрузки |
Оценки нагрузки (n) |
||||||
| Тип Tipo | 204 | 205 | 206 | 207 | 208 | 209 | 210 |
|
|
14800 |
15500 |
15800 |
16500 |
17300 |
18210 |
18860 |
|
|
3930 |
4530 |
5100 |
6500 |
7800 |
8710 |
9750 |
|
|
8500 |
10350 |
10900 |
11300 |
12150 |
12900 |
13550 |
|
|
40770 |
45300 |
46100 |
44100 |
42800 |
44230 |
44880 |




