Характер продукции:
Крепежные детали DIN6916 энергии ветра отрезают кругом для шайб HDG стали соединений C45 HV структурных
Крепежные детали DIN6916 энергии ветра отрезают кругом для шайб HDG стали соединений C45 HV структурных сделанных в Китае.
Стальные структурные плоские шайбы толще чем стандартные шайбы и главным образом использованы в сверхмощной конструкции.
Эти шайбы часто будут отличать сжимать атрибуты для предотвращения закрутить.
| Имя продуктов | Крепежные детали DIN6916 энергии ветра отрезают кругом для шайб HDG стали соединений C45 HV структурных | 
| Стандарт: | DIN, ISO EN ASTM/ANSI JIS, КАК, GB | 
| Материал | Сталь углерода: Q235, C45,65Mn; Нержавеющая сталь: SS304, SS316, SS316L | 
| Стальная ранг: 100HV, 200HV, 300HV, 350HV, 450HV | |
| Отделка | Черная окись, HDG (горячее гальванизированное погружение), покрытый цинк, Dacromet | 
| Родственные продукты | Болты наговора EN 14399 DIN структурные и тяжелые гайки | 
| Применения | Энергия ветра, строительная промышленность. | 
| Продукты запаса | Структурная шайба в запасе с черной окисью, оцинковывает покрытый и HDG | 
| Получите свободные образцы для стандартной крепежной детали от CO. аппаратных продуктов Jiangyin XiangGu, Ltd | |
| Фокус на поставляя высококачественных крепежных деталях. | |
Техническая характеристика изделия:
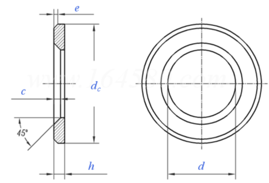
| Высокопрочные простые шайбы | |||||||
| DIN 6916 & EN 14399-6 DIN | |||||||
|  | |||||||
| d | d (mm) | dc (mm) | h (mm) | ||||
| минута | максимальный | минута | максимальный | Nom | минута | максимальный | |
| M12 | 13 | 13,27 | 23,48 | 24 | 3 | 2,7 | 3,3 | 
| M14 | 15 | 15,27 | 27,48 | 28 | 3 | 2,7 | 3,3 | 
| M16 | 17 | 17,27 | 29,48 | 30 | 4 | 3,7 | 4,3 | 
| M18 | 19 | 19,33 | 33,38 | 34 | 4 | 3,7 | 4,3 | 
| M20 | 21 | 21,33 | 36,38 | 37 | 4 | 3,7 | 4,3 | 
| M22 | 23 | 23,33 | 38,38 | 39 | 4 | 3,7 | 4,3 | 
| M24 | 25 | 25,33 | 43,38 | 44 | 4 | 3,7 | 4,3 | 
| M27 | 28 | 28,52 | 49 | 50 | 5 | 4,4 | 5,6 | 
| M30 | 31 | 31,62 | 54,8 | 56 | 5 | 4,4 | 5,6 | 
| M36 | 37 | 37,62 | 64,8 | 66 | 6 | 5,4 | 6,6 | 


вопросы и ответы
: Мы фабрика и OEM доступен.
: Вообще 2-5 дней если товары в запасе, или 15-30 дней если товары нет в запасе, то, оно согласно количеству.
: Да, мы смогли предложить обязанность образца бесплатно но не оплачиваем цену перевозки.
: 30% T/T заранее, баланс перед пересылкой или L/C.
Если вы имеете другой вопрос, то пожалуйста чувствуйте свободный связаться мы.