Характер продукции:
 
 
Тип женщина крепежных деталей DIN6319 энергии ветра нержавеющей стали A4 d Dished сферически шайбы
 
Тип женщина крепежных деталей DIN6319 энергии ветра нержавеющей стали A4 d Dished сферически шайбы сделанные в Китае.
Тип g dished шайбы с увеличенным наружным диаметром главным образом использован на пазах с закругленными концами.
Используя DIN6330 тип гайки приспособления b со сферически концом, используйте или тип d или тип шайбы g сферически dished. Тип шайба места c сферически необходим.
 
Спецификация:
Тип C/D
Сталь
Случа-затвердетый вся круглая глубина 0,2 до 0.4mm
HV 10 твердости (550+100)
Тип g
Нагрейте - обработанную сталь
Закаленный
HV 30 твердости (350+80)
 
| Имя продуктов | Тип женщина крепежных деталей DIN6319 энергии ветра нержавеющей стали A4 d Dished сферически шайбы | 
| Стандарт: | DIN, ISO EN ASTM/ANSI JIS, КАК, GB | 
| Материал | Сталь углерода: Q235, #45,65Mn; Нержавеющая сталь: SS304, SS316, SS316L | 
| Стальная ранг: 100HV, 200HV, 300HV, 350HV, 450HV | |
| Отделка | Черная окись, HDG (горячее гальванизированное погружение), покрытый цинк, Dacromet | 
| Родственные продукты | Болты и гайки | 
| Применения | Сферически шайбы DIN6319 использованы для зажимать на не-параллельных поверхностях. | 
| Продукты запаса | Шайба DIN6319 не запасает, время выполнения 10-20days. | 
| Получите свободные образцы для стандартной крепежной детали от CO. аппаратных продуктов Jiangyin XiangGu, Ltd | |
| Фокус на поставляя высококачественных крепежных деталях. | |
 
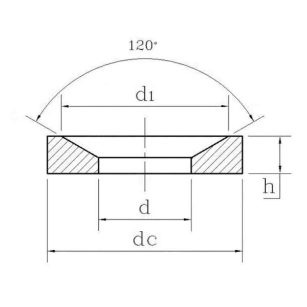
Чертеж:
 
| Сферически шайбы, конические места - тип d | |||||
| DIN 6319 (D) | |||||
|  | |||||
| d | d (mm) | dc (mm) | d1 (mm) | h (mm) | |
| минута | максимальный | ||||
| M6 | 7,1 | 7,32 | 12 | 11 | 2,8 | 
| M8 | 9,6 | 9,82 | 17 | 14,5 | 3,5 | 
| M10 | 12 | 12,27 | 21 | 18,5 | 4,2 | 
| M12 | 14,2 | 14,47 | 24 | 20 | 5 | 
| M14 | 16,5 | 16,77 | 28 | 24,8 | 5,6 | 
| M16 | 19 | 19,33 | 30 | 26 | 6,2 | 
| M20 | 23,2 | 23,53 | 36 | 31 | 7,5 | 
| M24 | 28 | 28,33 | 44 | 37 | 9,5 | 
| M30 | 35 | 35,39 | 56 | 49 | 12 | 
| M36 | 42 | 42,39 | 68 | 60 | 15 | 
| M42 | 49 | 49,39 | 78 | 70 | 18 | 
| M48 | 56 | 56,46 | 92 | 82 | 22 | 



 
вопросы и ответы
: Мы фабрика и OEM доступен.
: Вообще 2-5 дней если товары в запасе, или 15-30 дней если товары нет в запасе, то, оно согласно количеству.
: Да, мы смогли предложить обязанность образца бесплатно но не оплачиваем цену перевозки.
: 30% T/T заранее, баланс перед пересылкой или L/C.
Если вы имеете другой вопрос, то пожалуйста чувствуйте свободный связаться мы.