Один тип кулачок ролика пути муфты Backstop Freewheel подшипник муфты
Характер продукции типа муфты ролика пути AL150 F2D2/F4D2 одного Backstop
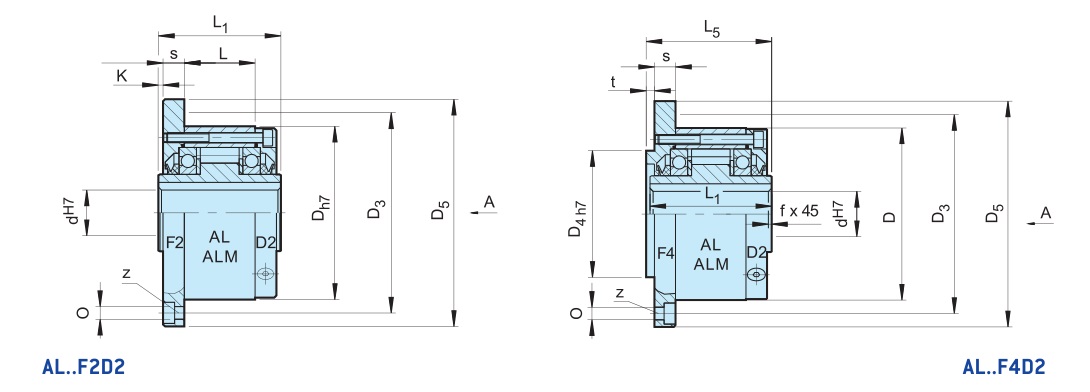
Типы AL. F2D2/F4D2 тип ролика freewheels, сдержанный, загерметизированный и носить поддержанный, используя 2
160. подшипники серии. Блоки поставленное смазанное масло.
Главным образом использованный как переливаться через край или индексировать муфты, комбинация крышки выбрана согласно типу
привода, как показано overleaf. Крышка D2 использована для того чтобы закрыть блок. Она оборудована с 2 винтами для завалки масла,
сток и уровень. Уплотнение вала тип Vring. Крышка и уплотнение были конструированы для того чтобы быть доказательством масла с
минимальный вращающий момент сопротивления.
Мы рекомендуем блок поставлятьы в собранном виде. Пожалуйста определите направление внутренней гонки вращения увиденное от
фланец D2.
Технические данные
| Деталь | AL. F2D2 F4D2 |
| Бренд | SUMA |
| Материал | GCr15 |
| Размер скважины | 15-250 mm |
| Наружный диаметр | 62-610 mm |
| Ширина (L1) | 42-396mm |
| Вращающий момент | 55-287500 Nm |
| Вращающий момент сопротивления | 11-6500 Ncm |
| Вес | 0.9-680 kg |
| Срок поставки | 15 дней |
Размер и емкость

| Тип | Размер | Переливаться через край скорости | Вэй | Вращающий момент сопротивления | ||||||||||||||
|
dH7 (mm) |
TKN1 (Nm) |
Nimax2) (min-1) |
Namax3) (min-1) |
Dn7 (mm) |
L1 (mm) |
D5 (mm) |
D3 (mm) |
z (mm) |
O mm |
D4h7 mm |
t mm |
L5 mm |
K mm |
s mm |
f mm |
(kg) |
TR (Ncm) |
|
|
AL. F2D2 AL. F4D2 |
12 | 55 | 2500 | 7200 | 62 | 42 | 85 | 72 | 3 | 5,5 | 42 | 3 | 44 | 0,5 | 10,3 | 0,5 | 0,9 | 11 |
| 15 | 125 | 1900 | 6500 | 68 | 52 | 92 | 78 | 3 | 5,5 | 47 | 3 | 54 | 0,5 | 10,3 | 0,8 | 1,3 | 15 | |
| 20 | 181 | 1600 | 5600 | 75 | 57 | 98 | 85 | 4 | 5,5 | 55 | 3 | 59 | 0,5 | 10,8 | 0,8 | 1,7 | 18 | |
| 25 | 288 | 1400 | 4500 | 90 | 60 | 118 | 104 | 6 | 6,6 | 68 | 3 | 62 | 0,5 | 10,5 | 1 | 2,6 | 36 | |
| 30 | 500 | 1300 | 4100 | 100 | 68 | 128 | 114 | 6 | 6,6 | 75 | 3 | 70 | 0,5 | 11,3 | 1 | 3,5 | 48 | |
| 35 | 725 | 1100 | 3800 | 110 | 74 | 138 | 124 | 6 | 6,6 | 80 | 3,5 | 76 | 1 | 11,8 | 1 | 4,5 | 60 | |
| 40 | 1025 | 950 | 3400 | 125 | 86 | 160 | 142 | 6 | 9 | 90 | 3,5 | 88 | 1 | 13,8 | 1,5 | 6,9 | 84 | |
| 45 | 1125 | 900 | 3200 | 130 | 86 | 165 | 146 | 8 | 9 | 95 | 3,5 | 88 | 1 | 13,8 | 1,5 | 7,1 | 94 | |
| 50 | 2125 | 850 | 2800 | 150 | 92 | 185 | 166 | 8 | 9 | 110 | 4 | 94 | 1 | 12,8 | 1,5 | 10,1 | 158 | |
| 55 | 2625 | 720 | 2650 | 160 | 104 | 204 | 182 | 8 | 11 | 115 | 4 | 106 | 1,5 | 16,8 | 2 | 13,1 | 150 | |
| 60 | 3500 | 680 | 2450 | 170 | 114 | 214 | 192 | 10 | 11 | 125 | 4 | 116 | 1,5 | 16,3 | 2 | 15,6 | 160 | |
| 70 | 5750 | 580 | 2150 | 190 | 134 | 234 | 212 | 10 | 11 | 140 | 4 | 136 | 1,5 | 17,8 | 2,5 | 20,4 | 360 | |
| 80 | 8500 | 480 | 1900 | 210 | 144 | 254 | 232 | 10 | 11 | 160 | 4 | 146,3 | 1,5 | 20,3 | 2,5 | 26,7 | 360 | |
| 90 | 14500 | 380 | 1700 | 230 | 158 | 278 | 254 | 10 | 14 | 180 | 4,5 | 161 | 1,5 | 20 | 3 | 39 | 680 | |
| 100 | 20000 | 350 | 1450 | 270 | 182 | 335 | 305 | 10 | 18 | 210 | 5 | 184 | 2,5 | 28 | 3 | 66 | 880 | |
| 120 | 31250 | 250 | 1250 | 310 | 202 | 375 | 345 | 12 | 18 | 240 | 5 | 204 | 2,5 | 28,5 | 3 | 91 | 1200 | |
| 150 | 70000 | 180 | 980 | 400 | 246 | 485 | 445 | 12 | 22 | 310 | 5 | 249 | 2,5 | 31 | 4 | 186 | 1350 | |
| 200 | 175000 | 120 | 750 | 520 | 326 | 625 | 565 | 18 | 26 | 400 | 5 | 328 | 3 | 40 | 5 | 425 | 4200 | |
| 250 | 287500 | 100 | 620 | 610 | 396 | 740 | 680 | 20 | 33 | 480 | 5 | 398 | 3 | 45 | 5 | 680 | 6500 | |
|
ALM. F2D2 ALM. F4D2 |
25 | 388 | 1100 | 2800 | 90 | 60 | 118 | 104 | 4 | 6,6 | 68 | 3 | 62 | 0,5 | 10,5 | 1 | 2,7 | 41 |
| 30 | 588 | 1000 | 2500 | 100 | 68 | 128 | 114 | 6 | 6,6 | 75 | 3 | 70 | 0,5 | 11,3 | 1 | 36,65 | 64 | |
| 35 | 838 | 900 | 2400 | 110 | 74 | 138 | 124 | 6 | 6,6 | 80 | 3,5 | 76 | 1 | 11,8 | 4,7 | 76 | ||
Примечания:
1) × 2 t KN t максимальное =
2) Заскоки внутренней гонки
3) Наружные заскоки гонки


