CB/T 4392 Тип EA Повышенная овальная многострунная крышка люка с горловинами
Описание:
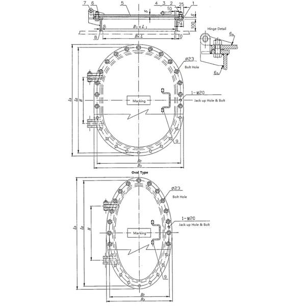
CB/T 4392 тип EA поднятый овальный многострунный крышка водонепроницаемого люка с петлями. Он соответствует последнему стандарту CB/T4392. Он изготовлен из стали с нержавеющим болтом и гайкой.Его можно использовать на различных торговых судах.Конструкция и материал на заказ доступны. Завеса хорошей изготовленности, что помогает экипажу корабля легко открывать и закрывать люк.Наш люк верхний кольцо вырезано из стальной пластины в целом без задницы сварки и это изготовление гарантирует отсутствие утечки на поверхности уплотнения и иметь хорошую герметичность.
Основная техническая спецификация:
Основные технические параметры:
| Номинальный размер LXB |
L1 | В1 | L2 | В2 | L3 | В3 | S | S1 | H | Шнур Размер |
Шнур Количество |
Вес в кг |
| 450х350 | 470 | 370 | 548 | 448 | 598 | 498 | 4 | 4 | 343 | M20 | 18 | 20.4 |
| 6 | 4 | 26.1 | ||||||||||
| 8 | 6 | 34 | ||||||||||
| 10 | 8 | 41.6 | ||||||||||
| 500х400 | 520 | 420 | 598 | 498 | 648 | 548 | 6 | 4 | 376 | 29.4 | ||
| 8 | 6 | 38.4 | ||||||||||
| 10 | 8 | 47.5 | ||||||||||
| 12 | 10 | 56.6 | ||||||||||
| 14 | 12 | 65.7 | ||||||||||
| 600х400 | 620 | 420 | 698 | 498 | 748 | 548 | 8 | 6 | 292 | 20 | 44.2 | |
| 10 | 8 | 54.8 | ||||||||||
| 12 | 10 | 65.4 | ||||||||||
| 14 | 12 | 75.9 | ||||||||||
| 16 | 14 | 86.5 | ||||||||||
| 600х450 | 620 | 470 | 698 | 548 | 748 | 598 | 8 | 6 | 362 | 22 | 46.9 | |
| 10 | 8 | 58 | ||||||||||
| 12 | 10 | 69.2 | ||||||||||
| 14 | 12 | 80.4 | ||||||||||
| 16 | 14 | 91.7 | ||||||||||
| 18 | 16 | 102.9 | ||||||||||
| 800х600 | 820 | 620 | 898 | 698 | 948 | 748 | 12 | 10 | 394 | 26 | 101.9 | |
| 14 | 12 | 118.7 | ||||||||||
| 16 | 14 | 135.4 | ||||||||||
| 18 | 16 | 152.2 | ||||||||||
| 20 | 18 | 169 | ||||||||||
| 22 | 20 | 185.9 | ||||||||||
| 24 | 22 | 202.7 | ||||||||||
| Номинальный размер LXB |
L1 | В1 | L2 | В2 | L3 | В3 | S | S1 | H | Шнур Размер |
Шнур Количество |
Вес в кг |
| 800х400 | 820 | 420 | 898 | 548 | 948 | 548 | 12 | 10 | 460 | M20 | 24 | 83.4 |
| 14 | 12 | 97 | ||||||||||
| 16 | 14 | 110.6 | ||||||||||
| 18 | 16 | 124.2 | ||||||||||
| 20 | 18 | 137.9 | ||||||||||
| 22 | 20 | 151.5 | ||||||||||
| 24 | 22 | 165.2 | ||||||||||
Рисунок CB/T 4392 Тип EA Поднятая овальная многострунная крышка водосточного отверстия с застежками
