Тип вентиляция CB/T 295 воздуха гриба b Weathertight с центробежным вентилятором
Описание:
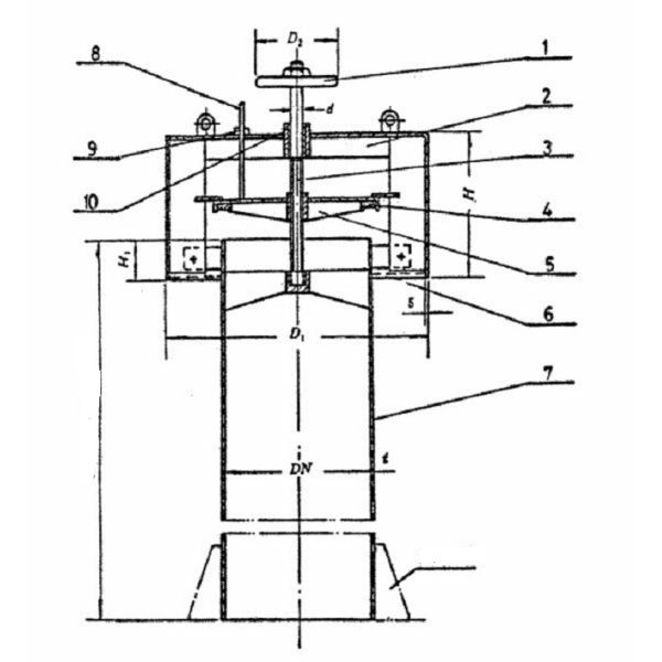
Тип гриб CB T295 b вентиляция сваренный тип вентиляция гриба, оно вообще использован для естественного маховичка поворота вентилятора просто к вверх и вниз крышкам для того для того чтобы отрегулировать том воздушных потоков. Он приспособлен с нержавеющей сеткой для предотвращения entre мыши и ошибок в космосы.
Главные технические данные:
Основные технические параметры:
|
Номинальный диаметр DN |
D1 | D2 | H | H1 | d | t |
Вес Kg |
| 250 | 440 | 200 | 220 | 90 | Tr24×5-LH | 9 | 52 |
| 300 | 530 | 265 | 65 | ||||
| 350 | 620 | 310 | Tr30×6-LH | 10 | 81 | ||
| 400 | 710 | 280 | 345 | 105 | Tr40×7-LH | 98 | |
| 450 | 800 | 375 | 124 | ||||
| 500 | 890 | 320 | 405 | 148 | |||
| 550 | 980 | 435 | 167 | ||||
| 600 | 1050 | 470 | 120 | 171 | |||
| 650 | 1160 | 500 | 210 | ||||
| 700 | 1240 | 520 | 225 | ||||
| 750 | 1320 | 540 | 259 | ||||
| 800 | 1410 | 560 | 140 | 291 | |||
| 850 | 1500 | 580 | 322 | ||||
| 900 | 1580 | 360 | 600 | Tr46×8-LH | 357 | ||
| 950 | 1670 | 620 | 387 | ||||
| 1000 | 1760 | 640 | 420 | ||||
| 1100 | 1930 | 680 | 515 | ||||
| 1200 | 2100 | 720 | 585 | ||||
| 1300 | 2270 | 760 | 659 | ||||
| 1400 | 2440 | 400 | 800 | 674 | |||
| Примечание: Вес вентилятора не включает вес воздуховода | |||||||

Чертежи типа вентиляции CB/T 295 воздуха гриба погоды b плотной с оборудовать центробежного вентилятора морской