CB/T 3728 C Быстродействующий герметичный малый стальной люк открытый с обеих сторон
Описание:
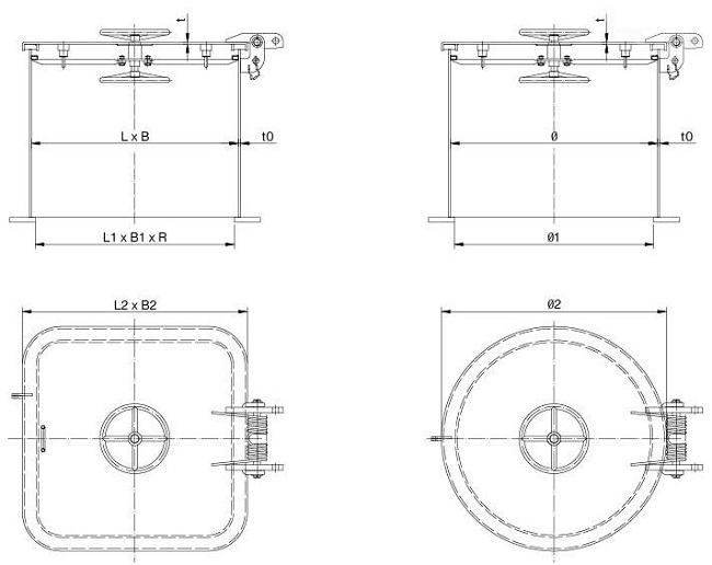
Small Hatch Cover Type C - это тип быстродействующего ветронепроницаемого крышки люка.Устройство центрального механизма закрытия имеет 4, 6, 8 собак в зависимости от размера люков. Он имеет петли с пружиной, что значительно облегчает открытие и закрытие для экипажа.Можно изготовить две формы, одну квадратную, а другую круглую.Эта крышка люка изготовлена в соответствии со стандартами CB/T3728- 1995.
Основные технические Спецификация:
Основные технические параметры:
|
Номинальный размер L×B или Диаметр |
Чисто Размер открытия L1×B1×R или Диаметр |
Размер крышки L2×B2×R |
Покрытие толщина t |
Всплывающее покрытие |
Собака количество |
Вес Эксклюзивный Hatch Coaming в кг |
|
| t0 | H | ||||||
| 530×530 | 500х500х100 | 588×588 | 4 | 4, 6 |
150 200 250 450 600 |
4 | 44.8 |
| 592×592 | 6 | 6, 8 | 51.4 | ||||
| 596×596 | 8 | 8, 11 | 58.0 | ||||
| 630×630 | 600 × 600 × 100 | 682×688 | 4 | 4, 6 | 4 | 50.0 | |
| 692×692 | 6 | 6, 8 | 58.7 | ||||
| 696×696 | 8 | 8, 11 | 67.5 | ||||
| 830x830 | 800х800х100 | 892x892 | 6 | 6, 8 | 6 | 76.2 | |
| 896x896 | 8 | 8, 11 | 85.1 | ||||
| Ф530 | Ф500 | 588 | 4 | 4, 6 | 4 | 42.2 | |
| 592 | 6 | 6, 8 | 47.5 | ||||
| 596 | 8 | 8, 11 | 52.8 | ||||
| Ф630 | Ф600 | 688 | 4 | 4, 6 | 4 | 46.1 | |
| 692 | 6 | 6,8 | 53.2 | ||||
| 696 | 8 | 8, 11 | 60.2 | ||||
| Ф830 | Ф800 | 892 | 6 | 6, 8 | 6 | 73.3 | |
| 896 | 8 | 8, 11 | 80.2 | ||||

РисунокCB/T 3728 C Быстродействующий герметичный малый стальной крышка люка открытый с обеих сторон Морское оборудование

