JIS F 2304 Тип A Возвышенный многоблотный овальный люк
Описание:
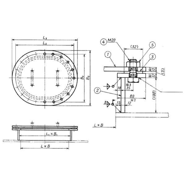
JIS F 2304 тип А - поднятый крышка люка люка. Он имеет овальную форму с несколькими болтами. Основной материал - мягкая сталь, болт и гайка имеют альтернативный выбор для нержавеющей стали, бронзы, латуни.Высота коминга может быть настроена. Наше кольцо с водосточным отверстием разрезано целым без сварки нескольких кусков вместе.
Основная техническая спецификация:
Основной технический параметр:
| Наименование | Открытие | Прокладка | Покрытие | Количество болта | Ссылка | |||||
| Л | В. | L1 | В1 | L2 | В2 | L3 | В3 |
Вес (в кг) |
||
| 4 535 | 450 | 350 | 480 | 380 | 550 | 450 | 620 | 520 | 20 | 52.9 |
| 5 040 | 500 | 400 | 530 | 430 | 600 | 500 | 670 | 570 | 22 | 60.5 |
| 6 040 | 600 | 400 | 630 | 430 | 700 | 500 | 770 | 570 | 24 | 69.5 |
| 6 045 | 600 | 450 | 630 | 480 | 700 | 550 | 770 | 620 | 24 | 73.1 |

Рисунок JIS F 2304 Тип A Возвышенный многоблотный овальный водопровод

