Тип крышка люка CB/T 4392 болтов AA овальная Multi с поднятым комингсом
Описание:
Тип крышка люка CB/T 4392 болтов овала AA multi с поднятым комингсом вид watertight и oiltight. Он соотвествует самый последний CB/T4392. Он сделан стали с нержавеющими болтом и гайкой. Его можно использовать к различным торговым суда. Дизайн и материал изготовления на заказ доступны. Болты можно сварить на кольце или винте на кольце.
Главные технические данные:
Основные технические параметры:
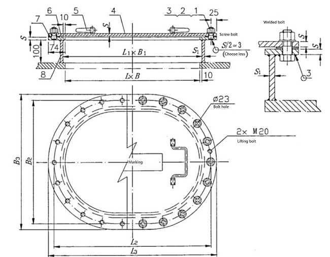
| Номинальный размер LXB |
L1 | B1 | L2 | B2 | L3 | B3 | S | S1 | Болт Размер |
Болт Количество |
Вес kg |
| 450X350 | 470 | 370 | 548 | 448 | 598 | 498 | 4 | 4 | M20 | 18 | 17,4 |
| 6 | 4 | 23. 1 | |||||||||
| 8 | 6 | 31. 0 | |||||||||
| 10 | 8 | 38,6 | |||||||||
| 12 | 10 | 46,4 | |||||||||
| 500X400 | 520 | 420 | 598 | 498 | 648 | 548 | 6 | 4 | 26. 4 | ||
| 8 | 6 | 35. 4 | |||||||||
| 10 | 8 | 44,5 | |||||||||
| 12 | 10 | 53,6 | |||||||||
| 14 | 12 | 62. 7 | |||||||||
| 600X400 | 620 | 420 | 698 | 498 | 748 | 548 | 8 | 6 | 20 | 41. 2 | |
| 10 | 8 | 51. 8 | |||||||||
| 12 | 10 | 62,4 | |||||||||
| 14 | 12 | 72,9 | |||||||||
| 16 | 14 | 83,5 | |||||||||
| 600X450 | 620 | 470 | 698 | 548 | 748 | 598 | 8 | 6 | 22 | 43,9 | |
| 10 | 8 | 55 | |||||||||
| 12 | 10 | 66,2 | |||||||||
| 14 | 12 | 77,4 | |||||||||
| 16 | 14 | 88. 7 | |||||||||
| 18 | 16 | 99 | |||||||||
| 800X600 | 820 | 620 | 898 | 698 | 948 | 748 | 12 | 10 | 26 | 98. 9 | |
| 14 | 12 | ll5. 7 | |||||||||
| 16 | 14 | 132,4 | |||||||||
| 18 | 16 | 149,2 | |||||||||
| 20 | 18 | 166 | |||||||||
| 22 | 20 | 182. 9 | |||||||||
| 24 | 22 | 199. 7 |

Рисовать типа крышки люка CB/T 4392 болтов AA овальной Multi с поднятый оборудовать морского пехотинца комингса
