Тип JIS f 2030-1978 одноточечный причаливая корабль чурки буксируя оборудование
Описание:
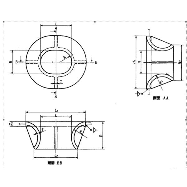
Одноточечная причаливая труба тип установленный фальшбортом морская чурка и сделана согласно стандарту JIS f 2030-1978 (промышленные стандарты f Японии). Они часть стандартной причаливая установки, между bitts корабля и причаливая палами, соответствующими для временного зачаливания и используемыми специально для наведения линий зачаливания веревочки на большом сосуде. Найдены, что на фальшбортах смычка сосуда, под gunwale, избегает труба зачаливания JIS F2030 носки и разрыва причаливая линии. Тип JIS F2030 b причаливая трубы сварен на смычке сосуда. Он изготовлен сталью согласно требованию стандартного JIS g 5101. Он имеет 2 типа, который овальная одноточечная причаливая труба (тип a) и овальный склонный один (тип b). Все одноточечные причаливая трубы предложенные морскими пехотинцами YS одобрены BV, CCS, ABS, DNV, etc.
Главные технические данные:
Основные технические параметры:
| Номинальный размер | L | L1 | L2 | H | H1 | H2 | B | R | R1 | T | C | Ссылка высчитала массовый kg | Номинальный dia. применимой веревочки (ссылка) | ||
| Веревочка провода (6×24) | Веревочка Манилы |
Нейлон веревочка |
|||||||||||||
| 400 | 400 | 780 | 570 | 300 | 680 | 460 | 350 | 150 | 210 | 35 | 65 | 210 | 50-60 | 30 | 80 |
| 500 | 500 | 940 | 690 | 400 | 840 | 580 | 400 | 200 | 240 | 40 | 70 | 340 | 62-73 | 40 | 90 |
| 600 | 600 | 1100 | 910 | 450 | 950 | 655 | 450 | 225 | 270 | 45 | 75 | 490 | 76-92 | 50 | 100 |
| 700 | 700 | 1260 | 930 | 500 | 1060 | 730 | 500 | 250 | 300 | 50 | 80 | 660 | 95-114 | 60 | 110 |
| 800 | 800 | 1420 | 1050 | 600 | 1220 | 850 | 550 | 300 | 330 | 55 | 85 | 880 | 117-132 | 70 | 120 |

Чертеж типа JIS f 2030-1978 одноточечный причаливая корабль чурки буксируя оборудование
