Тип b ISO 13795 сварил стальные палы с широким кораблем базовой платины буксируя оборудование
Описание:
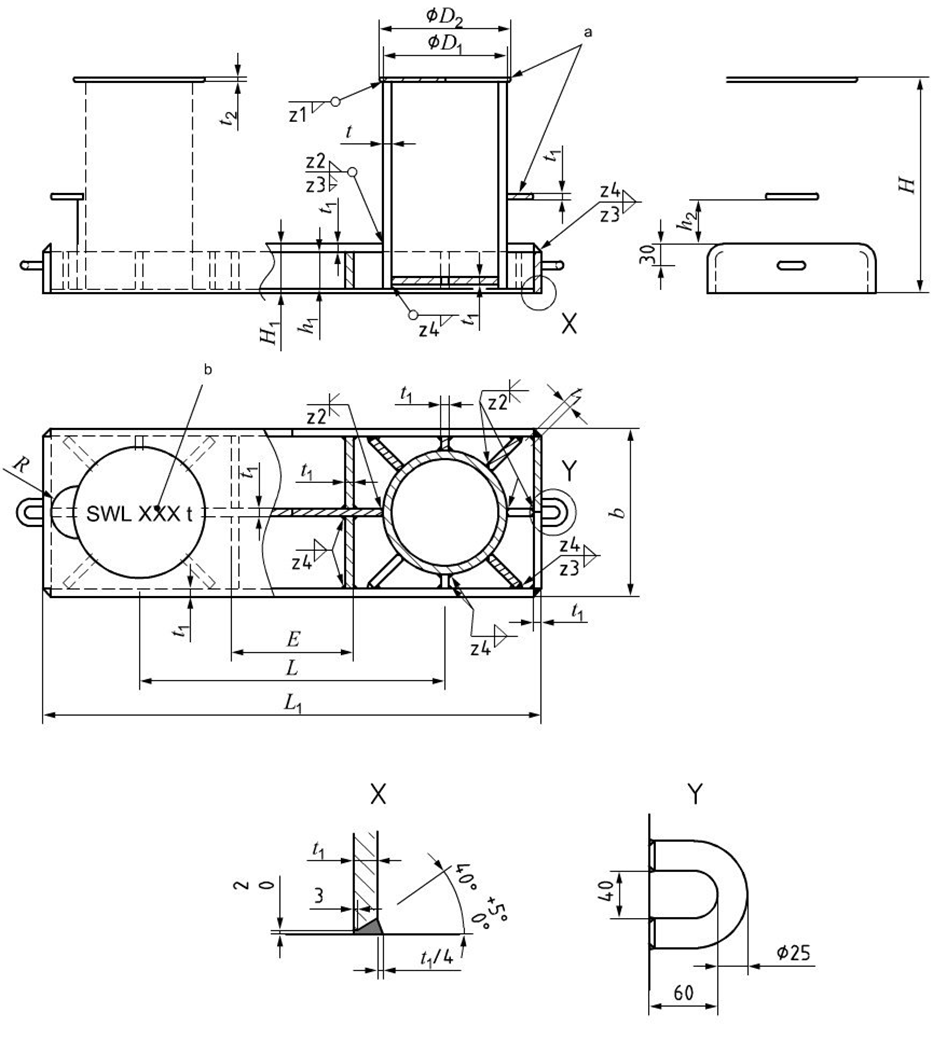
Тип b ISO 13795 сварил стальные палы с широким кораблем базовой платины буксируя оборудование двойной тип пал bitt. Он исполнен с IMO круговым MSC/Circ.1175, наведением на отбуксировку shipboard и оборудование причаливать. Он использован для гаван зачаливания & буксировать сосуда. Он имеет меняет размеры для выбора клиента. Все поверхности палов, включая сваренные поверхности, свободны от всех видимых рванин или несовершенств. Все поверхности в контакте с веревочками свободны от шероховатости поверхности или незакономерностей вероятно для того чтобы причинить повреждение к веревочкам ссадиной. Мы можем также поставить подгонянные палы согласно чертежам клиента. Мы поставляем другие типы морских палов также: перекрестный пал (одиночный крест и двойной крест), одиночный пал bitt, двойной пал bitt, сваренный склонный пал, CVI-пал, тип пал рожка, тип пал почки, пал T-головы и так далее. Если вы заинтересованы в наших продуктах, то пожалуйста чувствуйте свободным связаться мы.
Главные технические данные:
Основные технические параметры:
|
Номинальный размер Dn |
D1 | D2 | H1 | H2 | h1 | h2 | b | L | L1 | E | t | t1 | t2 | R |
| 150 | 165,2 | 185 | 320 | 80 | 62 | 70 | 225 | 400 | 670 | 145 | 8,0 | 8 | 6 | 40 |
| 200 | 216,3 | 240 | 365 | 85 | 67 | 70 | 290 | 500 | 860 | 160 | 8,0 | 8 | 6 | 50 |
| 250A | 267,4 | 290 | 470 | 100 | 79 | 90 | 360 | 630 | 1 065 | 215 | 12,0 | 11 | 8 | 60 |
| 2508 | 267,4 | 290 | 470 | 100 | 79 | 90 | 360 | 630 | 1 065 | 215 | 10,0 | 8 | 7 | 60 |
| 300A | 318,5 | 340 | 575 | 125 | 95 | 110 | 430 | 800 | 1 300 | 325 | 21,5 | 20 | 9 | 70 |
| 300B | 318,5 | 340 | 575 | 125 | 95 | 110 | 430 | 800 | 1 300 | 325 | 12,0 | 9 | 9 | 70 |
| 350A | 355,6 | 380 | 655 | 145 | 108 | 130 | 480 | 890 | 1 475 | 360 | 26,0 | 23,5 | 11 | 80 |
| 350B | 355,6 | 380 | 655 | 145 | 119 | 130 | 480 | 890 | 1 475 | 360 | 14,0 | 13 | 9 | 80 |
| 400A | 406,4 | 430 | 705 | 160 | 121 | 145 | 550 | 1 000 | 1 630 | 400 | 28,0 | 26 | 13 | 85 |
| 400B | 406,4 | 430 | 705 | 160 | 133 | 145 | 550 | 1 000 | 1 630 | 400 | 15,0 | 13,5 | 11 | 85 |
| 450A | 457,2 | 480 | 745 | 170 | 131 | 160 | 620 | 1 100 | 1 810 | 430 | 29,0 | 26 | 14 | 90 |
| 450B | 457,2 | 480 | 745 | 170 | 144 | 160 | 620 | 1 100 | 1 810 | 430 | 14,5 | 13 | 11 | 90 |
| 500A | 508,0 | 530 | 790 | 190 | 146 | 200 | 690 | 1 250 | 2 040 | 500 | 32,0 | 29 | 16 | 100 |
| 500B | 508,0 | 530 | 790 | 190 | 162 | 200 | 690 | 1 250 | 2 040 | 500 | 14,5 | 13 | 11 | 100 |
| 550A | 558,8 | 580 | 840 | 210 | 167 | 200 | 750 | 1 380 | 2 240 | 560 | 31,0 | 28 | 16 | 110 |
| 5508 | 558,8 | 580 | 840 | 210 | 176 | 200 | 750 | 1 380 | 2 240 | 560 | 21,0 | 19 | 11 | 110 |
| 600 | 609,4 | 630 | 875 | 225 | 182 | 200 | 820 | 1550 | 2490 | 660 | 33,0 | 28 | 16 | 120 |
|
Номинальный Размер Dn |
Сваривая длина ноги a | SWL b |
Высчитанный Вес (kg) |
||||||||
| Z1 |
Z2 |
вес c (kg) Z3 |
Z4 |
Для причаливать цели (Диаграмм- -8 belay) |
Для буксировать цели (Соединение глаза) |
||||||
| польза Одн-веревочки | польза 2-веревочки | ||||||||||
| (kN) | (t) | (kN) | (t) | (kN) | (t) | ||||||
| 150 | 3 | 3 | 6 | 4 | 54 | 5,5 | 49 | 5,0 | 540 | 10 | 45 |
| 200 | 3 | 3 | 6 | 4 | 82 | 8,4 | 65 | 6,7 | 795 | 13 | 68 |
| 250A | 4 | 4,5 | 8 | 6 | 156 | 16 | 134 | 14 | 1736 | 27 | 150 |
| 250B | 3 | 3,5 | 6 | 4 | 127 | 13 | 108 | 11 | 216 | 22 | 119 |
| 300A | 4 | 8 | 12 | 10 | 332 | 34 | 306 | 31 | 4365 | 62 | 383 |
| 300B | 4 | 5 | 8 | 6 | 186 | 19 | 161 | 16 | 353 | 36 | 203 |
| 350A | 5 | 10 | 14 | 12 | 443 | 45 | 418 | 43 | 6543 | 85 | 582 |
| 350B | 4 | 5,5 | 8 | 6 | 244 | 25 | 216 | 22 | 3757 | 50 | 333 |
| 400A | 6 | 11 | 16 | 13 | 594 | 61 | 521 | 53 | 8819 | 106 | 793 |
| 400B | 5 | 5,5 | 8 | 7 | 326 | 33 | 269 | 27 | 4983 | 67 | 441 |
| 450A | 7 | 11 | 16 | 13 | 753 | 77 | 612 | 62 | 10820 | 124 | 979 |
| 4508 | 7 | 5,5 | 8 | 7 | 382 | 39 | 292 | 30 | 5837 | 78 | 517 |
| 500A | 8 | 12 | 17 | 15 | 992 | 101 | 757 | 77 | 14470 | 154 | 321 |
| 5008 | 5 | 5,5 | 8 | 7 | 457 | 47 | 326 | 33 | 7102 | 93 | 631 |
| 550A | 8 | 11 | 17 | 14 | 1131 | 115 | 812 | 83 | 16628 | 165 | 530 |
| 550B | 5 | 8 | 12 | 10 | 781 | 80 | 541 | 55 | 11949 | 159 | 1059 |
| 600 | 8 | 11 | 17 | 14 | 1401 | 143 | 948 | 97 | 20042 | 193 | 1850 |
заварка со скашивать доступное основание на таком же сваривая томе/прочности
b SWL максимальное применимое напряжение веревочки. SWLs показанное в этой таблице для ссылки только. Эти основаны на загрузках как упомянуто в A. дополнения.
c высчитанный вес для ссылки только.

Рисовать типа b ISO 13795 сварил стальные палы с широким кораблем базовой платины буксируя оборудование

