DIN 81915 сформировать бросая стальной фальшборт установило причаливать корабль чурки буксируя оборудование
Описание:
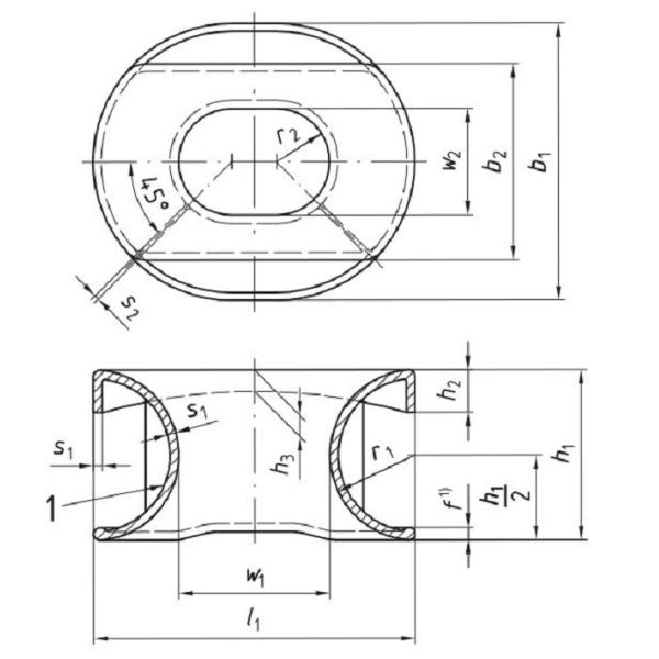
DIN 81915 исполняя с немецким стандартом имеет несколько типов, тип a, b, c, d и E. Mounted на палубе или фальшборте, он может ограничивать положение веревочки и между тем для того чтобы защитить веревочку от трения.
Главные технические данные:
1. Тип: Тип a, тип b;
2. Ряд SWL: 10-320KN;
3. Материалы: Сталь C-Mn отливки, бросая нержавеющая сталь, также может поставить особенную сталь для ледокола.
4. Технический стандарт: DIN 81915:1998-8
5. Вес: 19,5 к 840kg;
6. Поверхностное покрытие: sandblasting к S2.5 + один слой праймера магазина эпоксидной смолы, отполированной нержавеющей стали, подгонянного поверхностного покрытия доступного.
7. Сертификаты классификации: CCS, NK, BV, ABS, DNV-GL, LR, KR, IRS
Основной технический параметр:
| Номинальный размер | SWL KN | b1 | b2 | d | e | f | h1 | h2 | h3 | l1 | l2 | r1 | r2 | s1 | s2 | w1 | w2 | Вес (GGG) kg | Вес (GS) kg | 
| 1 | 10 | 250 | 175 | 30 | 125 | 15 | 160 | 65 | 20 | 285 | 115 | R80 | R45 | 10 | 5 | 125 | 90 | 16,5 | 18 | 
| 2 | 20 | 315 | 225 | 35 | 157,5 | 18 | 200 | 70 | 25 | 360 | 125 | R100 | R57.5 | 12 | 6 | 160 | 115 | 24 | 26 | 
| 3 | 30 | 390 | 275 | 40 | 195 | 21 | 250 | 75 | 32 | 450 | 140 | R125 | R70 | 14 | 7 | 200 | 140 | 39 | 42 | 
| 5 | 50 | 480 | 340 | 45 | 240 | 24 | 300 | 80 | 38 | 550 | 160 | R150 | R90 | 16 | 8 | 250 | 180 | 69 | 74 | 
| 8 | 80 | 585 | 415 | 50 | 292,5 | 27 | 360 | 90 | 45 | 680 | 180 | R180 | R112.5 | 18 | 9 | 320 | 225 | 112 | 120 | 
| 12 | 120 | 710 | 500 | - | 355 | 30 | 440 | 110 | 55 | 840 | - | R220 | R135 | 20 | 10 | 400 | 270 | 175 | 185 | 
| 20 | 200 | 840 | 595 | - | 420 | 33 | 520 | 130 | 65 | 1020 | - | R260 | R160 | 22 | 11 | 500 | 320 | 265 | 285 | 
| 32 | 320 | 1100 | 800 | - | 550 | 700 | 150 | 80 | 1300 | - | R350 | R200 | 35 | 20 | 600 | 400 | 730 | 795 | 

Чертеж DIN 81915 сформировать бросая стальной фальшборт установил причаливать корабль чурки буксируя оборудование
