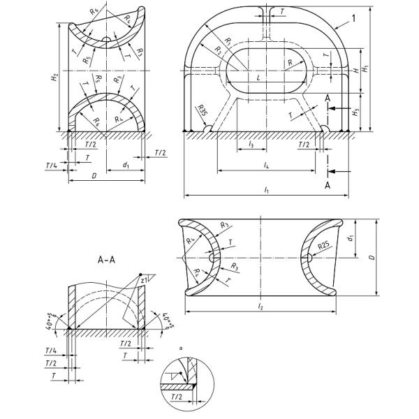
Тип сталь ISO 13729 отливки a установленная палубой закрыл причаливать корабль чурки буксируя оборудование
Описание:
Тип ISO13729 палуба установила бросая стальную закрытую причаливая чурку тип корабля причаливая и буксируя штуцер установленный на сторону корабля для того чтобы привести зачаливание и буксируя веревочку от корабля внутри обнаруживал доску. Закрытые чурки нормально приняты для кораблей которые используют веревочки провода. Радиус поверхности чурки был конструирован основанный на гнуть коэффициентах веревочки через чурку меньше чем 12 времен диаметра веревочки провода.
Главные технические данные:
Основные технические параметры:
| Номинальный размер L×H×D |
I1 | I2 | I3 | I4 | H1 | H2 | H3 | R | R1 | R2 | R3 |
| 250 x200 x214 | 488 | 45 3 | 76 | 26 5 | 42 7 | 3 68 | 108 | 100 | 219 | 160 | 108 |
| 300x250x286 | 614 | 565 | 89 | 330 | 551 | 481 | 144 | 125 | 282 | 212 | 144 |
| 350x250x333 | 716 | 660 | 114 | 403 | 601 | 525 | 168 | 125 | 308 | 232 | 168 |
| 400x250x381 | 820 | 754 | 139 | 475 | 652 | 553 | 192 | 125 | 335 | 236 | 192 |
| 450x250x381 | 870 | 804 | 164 | 524 | 652 | 553 | 192 | 125 | 335 | 236 | 192 |
| 500x250x381 | 920 | 854 | 189 | 574 | 652 | 553 | 192 | 125 | 335 | 236 | 192 |
| 400x250x428 | 870 | 796 | 139 | 500 | 701 | 609 | 216 | 125 | 360 | 268 | 216 |
| 450x250x428 | 920 | 846 | 164 | 550 | 701 | 609 | 216 | 125 | 360 | 268 | 216 |
| 500x250x428 | 970 | 896 | 189 | 600 | 701 | 609 | 216 | 125 | 360 | 268 | 216 |
| 500x400x428 | 970 | 896 | 176 | 60 0 | 851 | 759 | 216 | 200 | 435 | 343 | 216 |
| 500x250x525A | 1068 | 1 000 | 190 | 652 | 798 | 675 | 264 | 125 | 409 | 286 | 264 |
| 500x400x525A | 1 068 | 1 000 | 193 | 652 | 948 | 825 | 264 | 200 | 484 | 361 | 264 |
| 500x250x5258 | 1 074 | 1 000 | 176 | 652 | 801 | 680 | 264 | 125 | 412 | 291 | 264 |
| 500x400x525B | 1 074 | 1 000 | 179 | 652 | 951 | 830 | 264 | 200 | 487 | 366 | 264 |
| Номинальный размер L×H×D |
R4 | Rs | Rs | d1 | T | Сваривая нога длина a z1 |
SWL b (kN) |
SWL b (t) |
Веревочка провода диаметр c: (порекомендовал) |
Высчитанный вес d (kg) |
| 250x200x214 | 86 | 150 | 128 | 108 | 22 | 6 | 226 | 23 | 18 | 73 |
| 300x250x286 | 118 | 180 | 154 | 144 | 26 | 6,5 | 422 | 43 | 24 | 142 |
| 350x250x333 | 138 | 200 | 170 | 168 | 30 | 7,5 | 549 | 56 | 28 | 222 |
| 400x250x381 | 156 | 250 | 214 | 192 | 36 | 9 | 687 | 70 | 32 | 310 |
| 450x250x381 | 156 | 250 | 214 | 192 | 36 | 9 | 706 | 72 | 32 | 322 |
| 500x250x381 | 156 | 250 | 214 | 192 | 36 | 9 | 765 | 78 | 32 | 337 |
| 400x250x428 | 178 | 250 | 212 | 216 | 38 | 9,5 | 883 | 90 | 36 | 434 |
| 450x250x428 | 178 | 250 | 212 | 216 | 38 | 9,5 | 912 | 93 | 36 | 452 |
| 500x250x428 | 178 | 250 | 212 | 216 | 38 | 9,5 | 932 | 95 | 36 | 472 |
| 500x400x428 | 178 | 250 | 212 | 216 | 38 | 9,5 | 893 | 91 | 36 | 528 |
| 500x250x525A | 224 | 320 | 280 | 264 | 40 | 10 | 1148 | 117 | 44 | 657 |
| 500x400x525A | 224 | 320 | 280 | 264 | 40 | 10 | 1158 | 118 | 44 | 724 |
| 500x250x5258 | 218 | 320 | 274 | 264 | 46 | 11,5 | 1413 | 144 | 44 | 753 |
| 500x400x5258 | 218 | 320 | 274 | 264 | 46 | 11,5 | 1383 | 141 | 44 | 825 |

Рисовать типа палубы ISO 13729 a установил бросая стальной закрытый буксируя корабль чурки зачаливания чурки буксируя оборудование
