Оборудование спасения жизни корабля шлюпбалки спасательного плота утверждения IACS пониженное дистанционным управлением
Описание
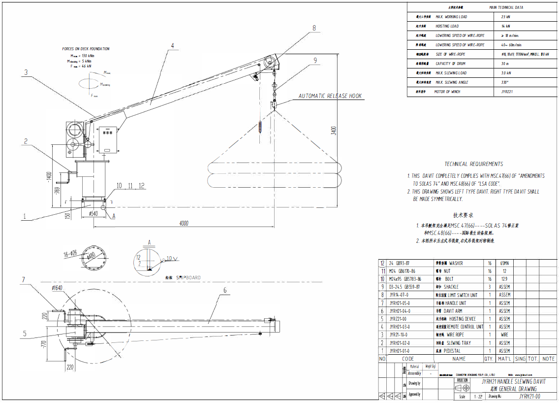
1. Генерал
1-1 шлюпбалка изготовлена и испытана под утверждением общества классификации в согласии с требованиями MSC.47 (66)----Поправки 1974 SOLAS &
MSC.48 (66)----Международный LSA.
1-2 шлюпбалка одиночный тип шлюпбалка slewing руки, оно может понижает спасательный плот к воде своим собственным весом.
1-3 спасательный плот может быть понижен дистанционным управлением, экипаж может выпустить и остановить тормоз руки ворота внутри спасательного плота. Альтернативно экипаж может привестись в действие тормоз руки на палубе.
1-4 постоянно установленный мотор на вороте использован для поднимать спасательный плот с людьми назад к уложенному положению.
1-5 шлюпбалка зависеть коробка передач ручки к спасательному плоту slewing.
1-6 осмотры и тесты приборов шлюпбалки в соответствии с IMO MSC.81 (70).
Главные технические данные
2. Модель
Наша модель: Шлюпбалка----JYRH21
Максимальная допустимая загрузка: kN 23
Максимальная поднимая нагрузка: 14kN
Понижая скорость сплотка: 40~60m/min
Пустая скорость спасения крюка: ≥18 m/min
Максимальная нагрузка slewing: kN 3,0
Максимальный угол slewing: 3300
Конструированные условия: Heel100+Trim200
Падение шлюпки: Dia 16mm. Не-извив, Galv.
- 4 -
Модель ворота шлюпки: YZ132M1-4-H
Сила: 5,5 kW
Ранг защиты: IP56
Источник питания: 380V, 50Hz, 3 участка
С подогревателем космоса: С
Класс изоляции: F
Вес собственной личности: ~2000kg
3. Материал
Рука шлюпбалки: Слабая сталь
Кожух ворота: Слабая сталь
Шестерня: Сталь углерода, сталь хромия
4. Объем нашей поставки
1 (одно)
1 установленный полный набор a шлюпбалки
1 установленная веревочка провода дистанционного управления (Galv. Провод)
1 установленный крюк автоматического спуска
1 установило запасные части
1 установило различные веревочки
1 установленное основание
наборы 1 работая плиту
5. Детали исключенные из нашей поставки
Кабель на палубе
Масло шестерни
Выполнять на тесте
6. Крася метод
Низкопробная краска: Праймер цинка эпоксидной смолы богатый противокоррозионный ------2×40μm

