Сталь отливки утопила корабль Bitts буксируя корабль оборудования буксируя оборудование
Описание:
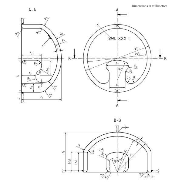
Утопленное bitt тип штуцера корабля буксируя установленного на бортовую раковину корабля.
Обеспечены, что легко прикрепляют утопленные bitts нормально буксируя линии где высота причаливая палубы слишком высока.
Главные технические данные:
Основные технические параметры:
| Номинальный размер Dn | D1 | d1 | b1 | b2 | R1 | R2 | R3 | R4 | R5 | R6 | R7 | R8 | 
| 850 | 850 | 750 | 200 | 280 | 450 | 500 | 250 | 65 | 115 | 50 | 55 | 250 | 
| 920 | 920 | 812 | 216 | 300 | 490 | 544 | 270 | 70 | 124 | 55 | 60 | 270 | 
| Номинальный размер Dn | R9 | R10 | t1 | f1 | f2 | f3 | f4 | f5 | h1 | h2 | h3 | |
| 850 | 180 | 30 | 50 | 500 | 250 | 180 | 248,7 | 263,4 | 400 | 190 | 110 | |
| 920 | 195 | 30 | 54 | 544 | 270 | 195 | 274,3 | 290,4 | 430 | 205 | 110 | |
| Номинальный размер Dn | Тип | Материал (прочность минимального выхода) | SWL | Высчитанный вес kg | |
| kN | t | ||||
| 850 | Тип 75 | 235 N/mm2 | 736 | 75 | 770 | 
| Тип 110 | 350 N/mm2 | 1079 | 110 | 770 | |
| Тип 135 | 430 N/mm2 | 1324 | 135 | 770 | |
| 920 | Тип 100 | 235 N/mm2 | 981 | 100 | 826 | 
| Тип 150 | 350 N/mm2 | 1472 | 150 | 826 | |
| Тип 180 | 430 N/mm2 | 1766 | 180 | 826 | |

Чертеж стали отливки утопил корабль Bitts буксируя оборудование


