JIS F2320 Тип B горизонтально открывающаяся крышка люка топливного бака для грузов
Описание:
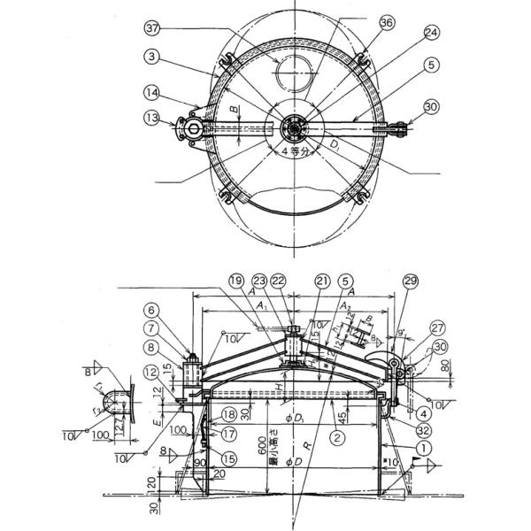
Морской нефтяной герметичный люк в основном используется для нефтяных грузовых баков для личного осмотра и очистки при входе, с нефтяной и газовой герметичностью.Части трансмиссии обычно изготовлены из медного сплава, для предотвращения искр, вызванных открытым и закрытым крышкой.с крышкой люка расположена наблюдательная отверстие диаметром не менее 150 мм., наблюдательная отверстие оборудовано нефтяным закрывающим устройством крышки люка и огневой медной сеткой.
Основная техническая спецификация:
Основной технический параметр
| Номинальный размер | D | D1 | H | R | D2 | А. | А1 | А2 | В. | H3 | h1 | ||||
| 760 | 760 | 731 | 180 | 760 | 710 | 491 | 436 | 425 | 70 | 144 | 90 | ||||
| 910 | 910 | 881 | 200 | 910 | 860 | 566 | 506 | 500 | 80 | 164 | 100 | ||||
| 1220 | 1 220 | 1 191 | 240 | 1220 | 1170 | 721 | 656 | 695 | 95 | 204 | 115 | ||||
| Номинальный размер | Л | F1 | d1 | d2 | F | a1 | d3 | d20 | d19 | Е | r1 | r2 | |||
| 760 | 320 | 13 6 | 110 | 60 | 130 | 85 | 72 | 61 | 62 | 40 | 75 | 55 | |||
| 910 | 330 | 146 | 120 | 70 | 140 | 90 | 82 | 71 | 72 | 50 | 80 | 60 | |||
| 1220 | 340 | 156 | 130 | 80 | 150 | 100 | 94 | 81 | 82 | 60 | 85 | 65 | |||
| Номинальный размер | r1 | r4 | r5 | d5 | d6 | d7 | d8 | d9 | dl8 | d10 | d11 | d12 | d13 | L1 | L2 | 
| 760 | 125 | 92 | 57 | 66 | 40 | 106 | 150 | 186 | 190 | 64 | 39 | Tr38×7 | 30 | 278 | 197 | 
| 910 | 130 | 97 | 62 | 70 | 44 | 110 | 154 | 190 | 194 | 68 | 43 | Tr42×7 | 34 | 288 | 207 | 
| 1220 | 135 | 102 | 67 | 76 | 50 | 116 | 160 | 196 | 300 | 74 | 49 | Tr48×8 | 39 | 303 | 222 | 
| Номинальный размер | d14 | d15 | d16 | d17 | Y | h2 | b1 | b3 | H1 | h3 | h4 | Ссылка Вес | |||
| 760 | 60 | M58X2 | 76 | 105 | 60 | 110 | 84 | 64 | 188 | 100 | 115 | 314 | |||
| 910 | 64 | M62X2 | 80 | 109 | 65 | 120 | 85 | 58 | 188 | 100 | 115 | 383 | |||
| 1220 | 72 | M70X2 | 86 | 115 | 72 | 135 | 94 | 50 | 208 | 120 | 135 | 535 | 

Рисунок JIS F2320 типа B Горизонтальное открытие грузового нефтяного бака

