Тип ISO 13713 палуба бросая стали установил причаливать корабль чурки буксируя оборудование
Описание:
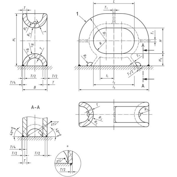
Тип ISO 13713 палуба бросая стали установила причаливать чурку сделан согласно стандарту ISO 13713 и тип установленной аппаратуры корабля причаливая на shipside для того чтобы привести причаливая веревочку от корабля внутреннего к подвесному двигателю. Тип a украшает установленная чурка и может быть сварен сразу на верхней палуба или сварен на основании сидя на главной палубе. Причаливая чурки нормально приняты для кораблей которые используют нейлон или другие синтетические веревочки а не веревочки провода принимая во внимание небольшой гнуть коэффициент (для веревочки провода см. ISO13729 закрыло чурки). Прочность на растяжение веревочки уменьшена в зависимости от радиуса загиба через чурку в соответствии с директивами изготовления веревочки. Все поверхности, включая заварку, будут свободны от всех видимых рванин или несовершенства и в контакте с веревочками, будут свободны от шероховатости поверхности или незакономерностей вероятно для того чтобы причинить повреждение к веревочкам ссадиной. Чурка должна быть покрыта внешне с финишем анти--корозии защитным.
Главные технические данные:
1. Стандарт: ISO 13713-2020
2. Тип: ; Установленная палуба
3. Ряд SWL: 36-140T;
4. Материалы: Сталь C-Mn отливки, бросая нержавеющая сталь, также может поставить особенную сталь для ледокола.
5. Вес: 73 к 396kg;
6. Поверхностное покрытие: sandblasting к S2.5 + один слой праймера магазина эпоксидной смолы, отполированной нержавеющей стали, подгонянного поверхностного покрытия доступного.
7. Сертификаты классификации: CCS, NK, BV, ABS, DNV-GL, LR, KR, RINA, IRS
Основной технический параметр:
| Номинальный размер L x h |
I1 | I2 | I3 | B | H1 | H2 | R | R1 | R2 |
| 250 x 200 | 100 | 250 | 444 | 160 | 377 | 80 | 100 | 197 | 80 |
| 300 x 250 | 110 | 300 | 536 | 200 | 468 | 100 | 125 | 243 | 100 |
| 350 x 250 | 125 | 350 | 608 | 220 | 489 | 110 | 125 | 254 | 110 |
| 400 x 250 | 135 | 400 | 682 | 240 | 511 | 120 | 125 | 266 | 120 |
| 450 x 250 | 150 | 450 | 760 | 260 | 535 | 130 | 125 | 280 | 130 |
| 500 x 250A | 175 | 500 | 832 | 280 | 556 | 140 | 125 | 291 | 140 |
| 500 x 250B | 175 | 500 | 840 | 280 | 560 | 140 | 125 | 295 | 140 |
| Номинальный размер L x h |
R3 | R4 | Rs | T | T1 | Сваривая длина ноги a z1 |
SWL b kN |
SWL b тонна |
Высчитанный вес c kg |
| 250 x 200 | 46 | 20 | 15 | 34 | 18 | 8,5 | 353 | 36 | 73 |
| 300 x 250 | 64 | 25 | 20 | 36 | 20 | 9 | 491 | 50 | 121 |
| 350 x 250 | 72 | 30 | 20 | 38 | 20 | 9,5 | 589 | 60 | 151 |
| 400 x 250 | 78 | 30 | 20 | 42 | 23 | 10,5 | 736 | 75 | 200 |
| 450 x 250 | 80 | 30 | 20 | 50 | 28 | 12,5 | 981 | 100 | 280 |
| 500 x 250A | 88 | 30 | 20 | 52 | 30 | 13 | 1128 | 115 | 338 |
| 500x 250B | 80 | 30 | 20 | 60 | 36 | 15 | 1373 | 140 | 396 |
| сваривая метод может быть изменен основанный на таком же сваривая томе/прочности. b показанное SWLs для ссылки только. «SWL» которое отмечено на штуцере может быть отрегулировано в зависимости от фактической загрузки cond1t10ns причаливать веревочку под согласованием между потребителем и изготовителем. C высчитанный вес (массовый) для ссылки только. |
|||||||||

Рисовать типа ISO 13713 палуба бросая стали установил причаливать буксирующ корабль чурки буксируя оборудование

