Труба ISO 13797 изготовленная плитой сварила причаливать буксирующ Cruciform палы грузит буксировать оборудование
Описание:
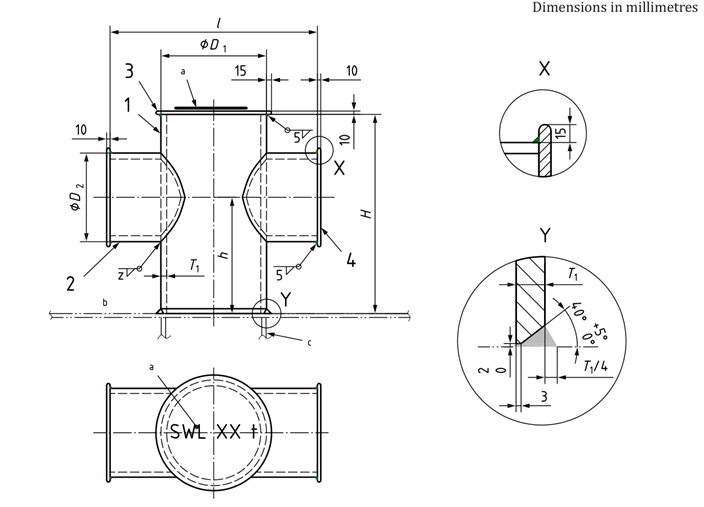
Палы crusiform соответствующие для установки на seagoing сосуды для того чтобы соотвествовать нормальные причаливая и буксируя
Главные технические данные:
Основной технический параметр:
Номинальный размер Dn |
Тип | Я | D1 | D3 | T1 | T2 | H | h | Заварка длина ноги примечание a z |
SWL примечание b kn |
SWL примечание b тонна |
Высчитанный вес |
| 150 | Тип a | 350 | 165,2 | 114,3 | 11,0 | 8,6 | 450 | 225 | 6 | 78 | 8 | 37 |
| Тип b | 350 | 170,0 | 120,0 | 8,0 | 8,0 | 450 | 225 | 5 | 78 | 8 | 31 | |
| 200 | Тип a | 450 | 216,3 | 165,2 | 12,7 | 11,0 | 500 | 250 | 7 | 147 | 15 | 58 |
| Тип b | 450 | 220,0 | 170,0 | 10,0 | 8,0 | 500 | 250 | 7 | 147 | 15 | 48 | |
| 250 | Тип a | 575 | 267,4 | 216,3 | 15,1 | 12,7 | 600 | 300 | 8 | 245 | 25 | 92 |
| Тип b | 575 | 270,0 | 220,0 | 13,0 | 10,0 | 600 | 300 | 8 | 245 | 25 | 81 | |
| 300 | Тип a | 625 | 318,5 | 267,4 | 17,4 | 15,1 | 600 | 300 | 10 | 392 | 40 | 132 |
| Тип b | 625 | 320,0 | 270,0 | 15,0 | 12,0 | 600 | 300 | 9 | 392 | 40 | 115 | |
| 350 | Тип a | 670 | 355,6 | 267,4 | 19,0 | 15,1 | 600 | 350 | 10 | 491 | 50 | 150 |
| Тип b | 670 | 360,0 | 270,0 | 16,0 | 12,0 | 600 | 350 | 9 | 491 | 50 | 130 | |
| 400 | Тип a | 720 | 406,4 | 267,4 | 21,4 | 15,1 | 600 | 350 | 10 | 736 | 75 | 178 |
| Тип b | 720 | 410,0 | 270,0 | 19,0 | 14,0 | 600 | 350 | 9 | 736 | 75 | 165 | |
| заварка со скашивать доступные основанная на таком же сваривая томе/прочности. b SWL которое отмечено на штуцере максимальное применимое напряжение веревочки. SWLs показанное в этой таблице для ссылки только. Эти основаны на загрузках как упомянуто в A. nex. C высчитанный вес (массовый) для ссылки только. |
||||||||||||

Рисовать трубы ISO 13797 изготовленной плитой сварил причаливать буксирующ Cruciform палы грузит буксировать оборудование

