ISO 5894 Тип CO Всасываемая крышка многошлемного отверстия
Описание:
ISO 5894 тип CO представляет собой углубленный крышный овальный люк с многошлюковым крышкой для судов. Он спроектирован и изготовлен в соответствии со стандартом IS05892.Он изготовлен из стали и может быть использован для различных судов.. Болт изготовлен из нержавеющей стали, а орех может быть из нержавеющей стали или бронзы или меди. Если вы заинтересованы в наших продуктах, пожалуйста, свяжитесь с нами для получения дополнительной информации.
Основная техническая спецификация:
Основные технические параметры:
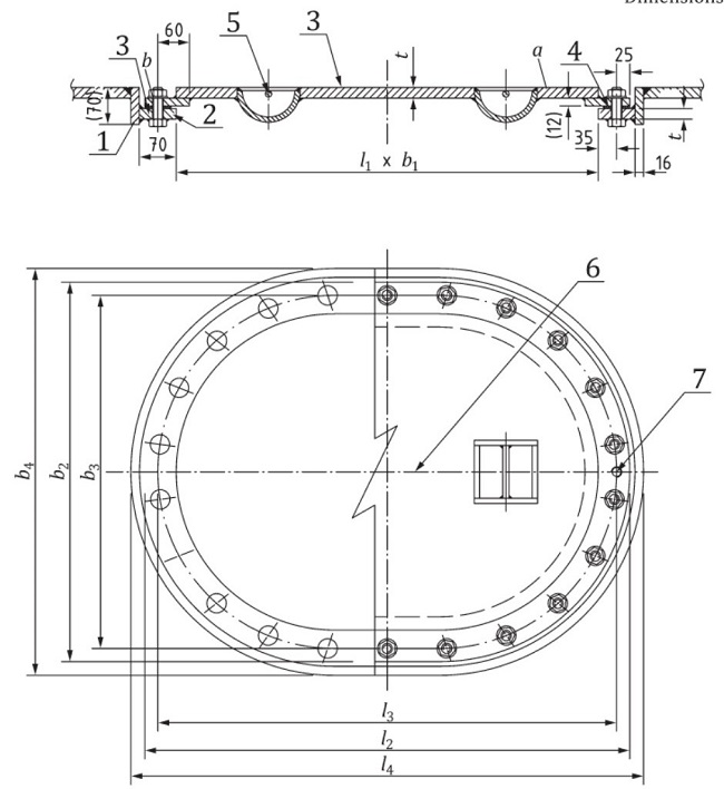
| Номинальный размер I1×b1 |
l2 | b2 | 1 3 | b3 | 1 4 | b4 | t | Крепления Диаметр |
Крепления Число |
| 450×350 | 570 | 470 | 520 | 420 | 622 | 522 | 6 | M20 | 16 |
| 600×400 | 720 | 520 | 670 | 470 | 772 | 572 | 8 | 20 | |
| 600х450 | 720 | 570 | 670 | 520 | 772 | 622 | 8 | 20 | |
| 800×600 | 920 | 720 | 870 | 670 | 972 | 772 | 12 | 26 | |
| Примечание 1 t - минимальная толщина, толщины, не указанные в таблице, могут быть спроектированы в соответствии с практикой строителей | |||||||||

Ключ: 1 пластинка, 3 крышки, 2 кольца, 4 прокладки, 5 ручек, 6 маркировки, 7 болтов, 2 × M20
Размер и детализация сварки должны соответствовать признанным промышленным стандартам.
Размеры, указанные в скобках (), могут быть регулированы. Верхняя часть крышки, включая орех, не должна выступать с поверхности промывки при выборе размера, указанного в скобках.
Примечание 1 При необходимости пользователь может выбрать разъемные болты 2 × M20.
ПРИМЕЧАНИЕ 2 l 1 х b 1 - это свободное отверстие.
Примечание 3 Тип ручки может быть спроектирован и изменен в соответствии с практикой строителя.
Рисунок ISO 5894 Тип CO Овальное отверстие с застегнутой крышкой

