трансформатор HX1260FNL Lan локальных сетей 10/100Base для петли привел приборы в действие
Описание:
трансформатор L24N001-0 Lan 1.Gigabit
2.Designed для того чтобы поддержать двойные локальные сети гигабита
3,100% испытал (не как раз дозировать испытанный)
спецификация 4.Meets IEEE 802,3
Аттестация 5.UL: Регистрационный номер E484635
6.Compliance с требованиями к ROHS
7.pin для прикалывания L24N001-0, совместимой соответствующей части
Применение:
1.Bore и датчики ID
2.Loop привело приборы в действие
компьютеры 3.Ruggedized
датчики экрана 4.Touch
трансформатор HX1260FNL Lan локальных сетей 10/100Base для петли привел приборы в действие
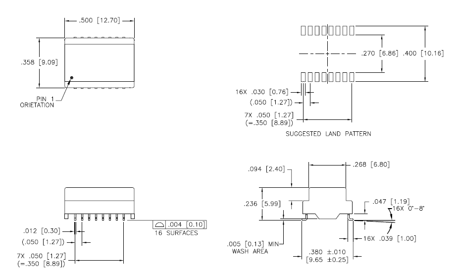
Форма и размеры:
