Трансформатор 1000 изоляции основания-T порта квадрацикла Lan HM5149NL магнитный
Особенности:
Интерфейс кабеля для изоляции и низких излучений единого режима. Уступчивый со стандартом IEEE 802.3ab для 1000 BASE-T. Соответствие с требованиями к ROHS
Применение:
NAS/STB/камеры IP беспроводных продуктов EPON/GPON/xDSL/медицинский
Трансформатор 1000 изоляции основания-T порта квадрацикла Lan HM5149NL магнитный
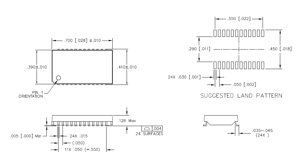
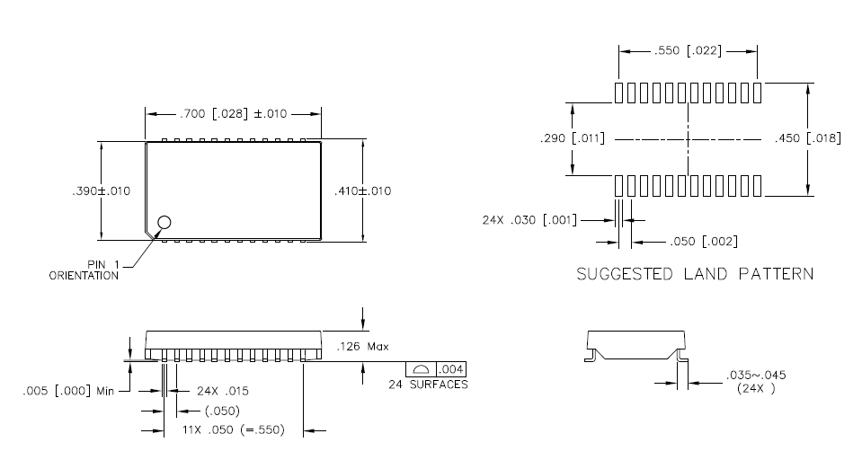
Форма и размеры:


