трансформатор Lan локальных сетей 100Base-T 16Pins HX1198NL/HX1198FNL
Описание:
| ДОСТИГНИТЕ уступчивое | Да |
| ЕС RoHS уступчивое | Да |
| Китай RoHS уступчивое | Да |
| Состояние | Активный |
| Тип трансформатора | ТРАНСФОРМАТОР DATACOM |
| Применение | ОБЩЕЕ НАЗНАЧЕНИЕ |
| Напряжение тока изоляции | 1500,0 v |
| Описание пакета Mfr | ROHS УСТУПЧИВОЕ |
| Особенность установки | SMD |
| Количество функций | 2 |
Применение;
Карты 1 сети и регуляторы сети
2 универсальных доски компьютера
3 скважина и датчика ID
4 анализаторы автобуса и Exercisers автобуса
5 сборок кабеля
трансформатор Lan локальных сетей 100Base-T 16Pins HX1198NL/HX1198FNL
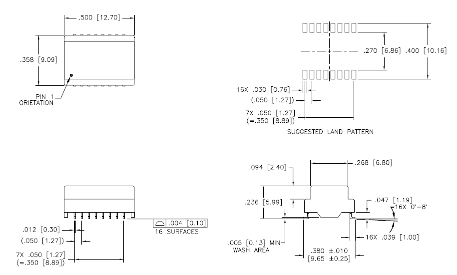
Форма и размеры:
